首页
图纸下载
冲压模具
塑胶模具
数控编程
机械设备
家用电器
更多
软件下载
二维软件
三维软件
编程软件
CAE软件
系统软件
更多
图文资讯
软件应用
模具制造
机械制造
机械知识
平面设计
其他
软件安装
帮助中心
注册问题
登录问题
上传问题
下载问题
充值问题
更多
在线视频
新站课程
本站课程
在线问答
登录
注册
质量
最新标签
HTML
入门
精通
摩托车
三轮
狂想
两栖
图文
作用
水泵
诱导
前置
视频
测试
咨询
售后
违规
注册
登录
充值
积分
流程
提现
编号
大小
提取
0167
XSSJUG
取值
旋切
毫米
按照
上传
退稿
稿件
无法
账号
注销
站上
qiufukang
右上角
绑定
下拉
帐号
原作者
以下简称
本站
协议
会员
其它
刀路
桃木
夹板
关联性
鸟瞰
文章
PAUSE
command
主视图
长度
RCDATA
计算
ID
开发
雕刻机
生成
注释
端盖
中设
标题
回到
外公切线
圆心
立体
实验
布局
浮动
外部
参照
网格
多线
显示
缩放
特性
编组
门厅
源点
附着
光源
图片
一圆
基点
SolidEdge
教程
属性
10.3
有的
弧段
正交
栅格
及图
文章排序
时间
标题
热度
留言
随机
中望3D质量测量功能(图文教程)
质量
造型
计算
属性
双色注塑模具生产过程中如何提高质量?
模具
设计培训
装配
质量
模具工厂“质量管理”的最高境界!
质量
一个
成本
偏差
塑料注塑模具质量等级分类,质量不过剩很重量!
质量
激光焊接机的质量会影响到激光光束的稳定性吗?
质量
影响注塑模具质量的因素,你知道有哪些?
质量
如何做好非标自动化设备的质量控管?
非标
质量
模具数控加工质量的主要影响因素分析
数控加工
模具
质量
如何提高塑料件开模的质量?
塑料件
质量
在生产加工中你如何看待质量问题?
塑料件
产品
模具
质量
使用
检验五金冲压件的质量的方法有哪些?
冲压件
质量
三招巧辨水龙头质量(图文教程)
质量
教程
机械制造工程_10.6机械加工质量(图文教程)
质量
教程
气孔对铸件质量产生的影响(图文教程)
质量
转动件平衡品质的确定(图文教程)
确定
质量
轴承波纹度产生的原因及消除方法(图文教程)
工件
质量
磨削
方向稳定性(图文教程)
造成
技术
质量
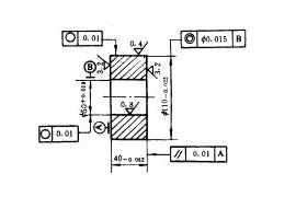
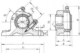
对开式四螺柱斜滑动轴承座尺寸(图文教程)
尺寸
0.5
质量
对开式二螺柱正滑动轴承座尺寸(图文教程)
尺寸
0.5
质量
整体有衬正滑动轴承座尺寸(图文教程)
尺寸
质量
新版ISO9001:2015标准(cd草稿)(图文教程)
文件
质量
气孔对铸件质量产生的影响有哪些
质量
1
首页
发布
用户中心
积分充值
开通会员
客服