
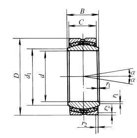
特 轻 (C) 系 列 | ||||||||
轴承型号 | 尺 寸 /mm | α/(°) ≈ | ||||||
d | D | B | C | d1min | r1smin | r2smin | ||
CEC320FSA | 320 | 440 | 160 | 135 | 340 | 3.0 | 4 | |
GEC340FSA | 340 | 460 | 160 | 135 | 360 | 1.1 | 3.0 | 3 |
GEC360FSA | 360 | 480 | 160 | 135 | 380 | 1.1 | 3.0 | 3 |
GEC380FSA | 380 | 520 | 190 | 160 | 400 | 1.5 | 4.0 | 4 |
GEC400FSA | 400 | 540 | 190 | 160 | 425 | 1.5 | 4.0 | 3 |
GEC420FSA | 420 | 560 | 190 | 160 | 445 | 1.5 | 4.0 | 3 |
GEC440FSA | 440 | 600 | 218 | 185 | 465 | 1.5 | 4.0 | 3 |
GEC460FSA | 460 | 620 | 218 | 185 | 485 | 1.5 | 4.0 | 3 |
GEC480FSA | 480 | 650 | 230 | 195 | 510 | 2.0 | 5.0 | 3 |
GEC500FSA | 500 | 670 | 230 | 195 | 530 | 2.0 | 5.0 | 3 |
GEC530FSA | 530 | 710 | 243 | 205 | 560 | 2.0 | 5.0 | 3 |
GEC560FSA | 560 | 750 | 258 | 215 | 590 | 2.0 | 5.0 | 4 |
GEC600FSA | 600 | 800 | 272 | 230 | 635 | 2.0 | 5.0 | 3 |
GEC630FSA | 630 | 850 | 300 | 260 | 665 | 3.0 | 6.0 | 3 |
GEC670FSA | 670 | 900 | 308 | 260 | 710 | 3.0 | 6.0 | 3 |
GEC710FSA | 710 | 950 | 325 | 275 | 755 | 3.0 | 6.0 | 3 |
GEC750FSA | 750 | 1 000 | 335 | 280 | 800 | 3.0 | 6.0 | 3 |
GEC800FSA | 800 | 1 060 | 355 | 300 | 850 | 3.0 | 6.0 | 3 |
GEC850FSA | 850 | 1 120 | 365 | 310 | 905 | 3.0 | 6.0 | 3 |
GEC900FSA | 900 | 1 180 | 375 | 320 | 960 | 3.0 | 6.0 | 3 |
GEC950FSA | 950 | 1 250 | 400 | 340 | 1 015 | 4.0 | 7.5 | 3 |
GEC1000FSA | 1 000 | 1 320 | 438 | 370 | 1 065 | 4.0 | 7.5 | 3 |
GEC1060FSA | 1 060 | 1 400 | 462 | 390 | 1 130 | 4.0 | 7.5 | 3 |
GEC1120FSA | 1 120 | 1 460 | 462 | 390 | 1 195 | 4.0 | 7.5 | 3 |
GEC1180FSA | 1 180 | 1 540 | 488 | 410 | 1 260 | 4.0 | 7.5 | 3 |
GEC1250FSA | 1 250 | 1 630 | 515 | 435 | 1 330 | 4.0 | 7.5 | 3 |
GEC1320FSA | 1 320 | 1 720 | 545 | 460 | 1 405 | 4.0 | 7.5 | 3 |
GEC1400FSA | 1 400 | 1 820 | 585 | 495 | 1 485 | 5.0 | 9.5 | 3 |
GEC1500FSA | 1 500 | 1 950 | 625 | 530 | 1 590 | 5.0 | 9.5 | 3 |
GEC1600FSA | 1 600 | 2 060 | 670 | 565 | 1 690 | 5.0 | 9.5 | 3 |
GEC1700FSA | 1 700 | 2 180 | 710 | 600 | 1 790 | 5.0 | 9.5 | 3 |
GEC1800FSA | 1 800 | 2 300 | 750 | 635 | 1 890 | 6.0 | 12.0 | 3 |
GEC1900FSA | 1 900 | 2 430 | 790 | 670 | 2 000 | 6.0 | 12.0 | 3 |
GEC2000FSA | 2 000 | 2 570 | 835 | 705 | 2 100 | 6.0 | 12.0 | 3 |
1;所有标注为智造资料网zl.fbzzw.cn的内容均为本站所有,版权均属本站所有,若您需要引用、转载,必须注明来源及原文链接即可,如涉及大面积转载,请来信告知,获取《授权协议》。
2;本网站图片,文字之类版权申明,因为网站可以由注册用户自行上传图片或文字,本网站无法鉴别所上传图片或文字的知识版权,如果侵犯,请及时通知我们,本网站将在第一时间及时删除,相关侵权责任均由相应上传用户自行承担。
[complaint:内容投诉]
智造资料网打造智能制造3D图纸下载,在线视频,软件下载,在线问答综合平台 » GEC…FSA型自润滑向心关节轴承的结构型式和外形尺寸(图文教程) ...

