一. 功能
顶料销(又名浮升销,浮升顶料销),规格及参数详见附件:五金零件规格参考图之顶料销,其功能是将冲压件顶离模板表面以达到脱料目的.
二. 规格系列(单位:mm)

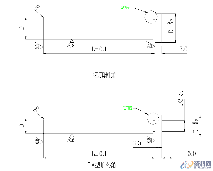
顶料销分为LA型和LB型(如下图示)
注意:
1. LA型顶料销作为活动定位销(活动案内)使用时,身逃孔直径B及间隙的取值参照相关标准,其它尺寸可参照上表选取
2. 在顶料销身逃孔需要线割加工时,身逃孔直径B及间隙的取值参照活动定位销的要求
3. 弹簧一般选用矩形弹簧.特殊情况下选用圆线弹簧时要确认以上相关尺寸

三. 选用原则
1. 一般选用Φ8的LB型顶料销.若位置不够放时可适当选用Φ4, Φ6两种规格的顶料销
复合模下料则选用Φ6的LA型顶料销
2. 当所需顶料力很大,位置又够放时可选用Φ10的顶料销.(一般不予选用)
3. 顶料销长度的选择,要注意参考以下原则:
a. 保証前页图中 “>=10”这个尺寸
b. 选用标准长度,并考虑可否不需要在模板上沉孔
c. 顶出高度<=10mm,一般选用Φ8*20的顶料销;顶出高度>10mm时,选择其它标准规格的顶料销
d. 避免发生开模顶料时弹簧顶住前页图示台阶处的现象
四. 排配原则
顶料销可参考下述原则排配:
1. 折弯脱料时,顶料销的排配一般保証顶料销身逃孔边到材料边或模具相应刃口边距离为4mm,注意其位置尺寸尽量圆整到整数或小数点后一位
2. 折弯时如使用顶料销脱料,在凸模上折弯边每隔20~30mm排配一个顶料销,折弯拐角处一定要排配一个顶料销
3. 折单边时,折弯边顶料销按5.2项原则排配,非折弯边视大小均匀分布2~4个顶料销
4. 抽孔,抽凸周围对称排配顶料销(数量视抽孔抽凸的大小)顶料,也可用内打的形式顶料
5. 内孔精定位销两边一般对称排配两个顶料销,外形精定位可视需要确定是否需安装顶料销
6. 注意合模时,顶料销不能顶在料片已冲孔或成型的地方,也不能与相应模板干涉(如顶在模板避空部分致使料片变形)
7. 另外顶料销的排配还要考虑整个工件的稳定性
五. 五金零件表(BPA)填写规范
LA型顶料销: 顶料销LA: D*L
LB型顶料销: 顶料销: D*L
LA(LB):顶料销类型(LB型顶料销类型代码可省略)
(D:顶料销公称直径 L:顶料销长度)
例:顶料销LA: Φ6*40 顶料销: Φ8*20
六. 注意事项
1. 如上下模均需排配顶料销﹐则上下模之顶料销中心位置互相偏移直径的一半,如图(1);
2. 折成型模顶料销改善:在打板行程较大(如侧冲压平模),由于打板与打背板厚度的限制,顶料销弹簧要过夹,此时弹簧弯曲,可能会弹出,造成生产中的不安全因素,为消除这一隐患,可在上夹板装等高套筒,弹簧装在其中,头部用LA型顶料销,如图(2).

五金零件規格參考圖之頂料銷

编辑

东莞潇洒职业培训学校开设课程有:CNC数控编程、塑胶模具设计,压铸模具设计、冲压模具设计, Solidworks/pro/E产品设计、AutoformR7工艺分析,非标自动化设计、PLC编程、文职、电商、平面设计、新媒体等培训课程,潇洒职业培训学校线下、线上、随到随学等学习方式,上班学习两不误,欢迎预约免费试学!
线上免费试学: xsmj.ke.qq.com
学校官网:www.dgxspx.com 智造人才网:www.58hr.net
联系电话:13712128767(微信同号)QQ:2248239220
学习地址:东莞市横沥镇新城工业区兴业路121号-潇洒职业培训学校
1;所有标注为智造资料网zl.fbzzw.cn的内容均为本站所有,版权均属本站所有,若您需要引用、转载,必须注明来源及原文链接即可,如涉及大面积转载,请来信告知,获取《授权协议》。
2;本网站图片,文字之类版权申明,因为网站可以由注册用户自行上传图片或文字,本网站无法鉴别所上传图片或文字的知识版权,如果侵犯,请及时通知我们,本网站将在第一时间及时删除,相关侵权责任均由相应上传用户自行承担。
[complaint:内容投诉]
智造资料网打造智能制造3D图纸下载,在线视频,软件下载,在线问答综合平台 » 五金模具设计标准规范:“顶料销”选用形式规范释义!

