想学好数控车加工编程,这12个指令代码必须要牢记
1、G00 快速定位指令

2、G01直线插补指令

3、G02顺时针圆弧插补指令

4、G03 逆时针圆弧插补指令

5、G90 外圆、内圆车削循环指令

6、G71 外圆粗车循环指令


O0001;
G98;
M03 S500 T0101;
G00 X82 Z3;
G71 U1.5 R0.5;
G71 P1 Q2 U0.5 W0.1 F120;
N1 G00 X0;
G01 Z0 F80 S1000;
X20;
X24 Z-2;
Z-20;
X30;
X32 W-1;
Z-40;
X42;
X48;
W-11;
G02 X58 Z-55 R5;
G01 X72;
X76 W-2;
N2 X82;
G70 P1 Q2;
G00 X100 Z100;
M05;
M30;
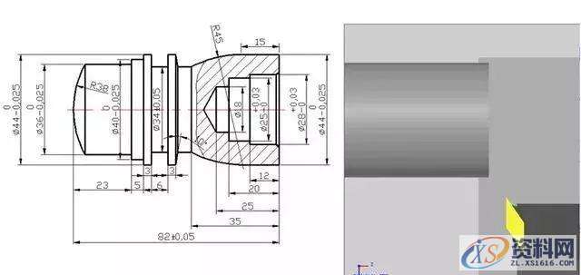
7、G73封闭切削循环指令


O0001;
G98;
M03 S500 T0101;
G00 X48 Z3;
G73 U5 R5;
G73 P1 Q2 U0.5 W0 F150;
N1 G00 X44 Z1;
G01 Z-15 F100 S1000;
G03 X34 Z-35 R45;
G01 W-5;
X44 W-1;
N2 X46;
G70 P1 Q2;
G00 X100 Z100;
M05;
M30;
8、G72 端面粗车循环指令

G00 X52 Z2;
G72 W1 R0.3;
G72 P1 Q2 U0.05 W0.3 F100;
N1 G00 Z-12;
9、G74 端面深孔加工循环指令

10、G75 外圆、内圆切槽循环指令

11、G92 螺纹切削循环指令

12、G76 复合型螺纹切削循环指令

相关知识点:




( 3 )圆弧车刀刀具切削沿位里的确定
数控车床采用刀尖圆弧补偿进行加工时,如果刀具的刀尖形状和切削时所处的位置(即刀具切削沿位置)不同,那么刀具的补偿量与补偿方向也不同。根据各种刀尖形状及刀尖位置的不同,数控车刀的刀具切削沿位置共有 9 种,如图所示。常用车刀的刀沿位置号如下图。



(4)刀尖圆弧半径补偿注意事项
① 刀具半径补偿模式的建立与取消程序段只能在 G00 或 G0l 移动指令模式下才有效。
② G41 / G42 不带参数,其补偿号(代表所用刀具对应的刀尖半径补偿值)由 T 指令指定。该刀尖圆弧半径补偿号与刀具偏置补偿号对应。
③ 采用切线切人方式或法线切人方式建立或取消刀补。
④ 为了防止在刀具半径补偿建立与取消过程中刀具产生过切现象,在建立与取消补偿时,程序段的起始位置与终点位置最好与补偿方向在同一侧。
⑤ 在刀具补偿模式下,一般不允许存在连续两段以上的补偿平面内非移动指令,否则刀具也会出现过切等危险动作。补偿平面非移动指令通常指:仅有G 、 M 、 S 、 F 、 T 指令的程序段(如 G90 , M05 )及程序暂停程序段 (G04 X10.0 )。


联系电话:13018636633(微信同号) QQ:1740467385
1;所有标注为智造资料网zl.fbzzw.cn的内容均为本站所有,版权均属本站所有,若您需要引用、转载,必须注明来源及原文链接即可,如涉及大面积转载,请来信告知,获取《授权协议》。
2;本网站图片,文字之类版权申明,因为网站可以由注册用户自行上传图片或文字,本网站无法鉴别所上传图片或文字的知识版权,如果侵犯,请及时通知我们,本网站将在第一时间及时删除,相关侵权责任均由相应上传用户自行承担。
[complaint:内容投诉]
智造资料网打造智能制造3D图纸下载,在线视频,软件下载,在线问答综合平台 » 想学好数控车加工编程,这12个指令代码必须要牢记

