液晶显示器底座产品尺寸如图1,其最大外形尺寸为为459.9 mm x 230 mm x 68.0 mm, 材料为HIPS,缩水率为1.005,重量为386.5克,塑件平均胶位厚度为3.0 mm。塑件造型为扁平壳体,结构较为简单。塑件属于外观件,外表面不能存在各种缺陷,也不能存在浇口和顶出痕迹。模具设计的难点在于塑件的尺寸较大,浇注系统设计困难。

二.模具设计要点
1.模具排位:液晶显示器底座产品属于大批量生产的塑胶产品。由于产品尺寸较大,因此模具排位1出1。模胚为非标4570,模具的精框在模胚厂开框,保证加工精度。
2.浇注系统设计:塑件尺寸较大,需要多个浇口,而塑件的外观面不能设计浇口。如果浇口开设在侧面,可以采用潜伏式浇口多点进料方式,由于塑件较大,只能采用一模一腔形式,则会产生浇口偏置,模具型腔受力不均,塑件的壁厚难以保证一致,浇口痕迹也会影响塑件外观;如果采用潜伏式浇口多点进料,由于塑件尺寸偏大,料流流程太长,将很难控制塑件翘曲变形,表面熔接痕也会更加明显。还有一种进胶方式就是细水口转大水口进胶,这样塑料流程很长,影响注射周期。

依据以上分析,该模具设计的关键在于:如何保证塑件外表面的平整光洁,并保证无翘曲变形,无浇口痕迹、收缩痕、划痕、顶白和熔接痕等缺陷。由于塑件的外表面质量要求高,不允许有包括浇口痕迹的一切表面缺陷,因此浇口只能开设在塑件的内部。因此, 考虑该零件较大,表面为外观面,不允许有浇口痕迹,故不宜采用外观面直接浇口,也不宜采用针点浇口。采用点浇口3点浇口进料的方式,从塑件背面开设浇口,并考虑塑件形状,基本做到流动平衡。见图2模具设计图。

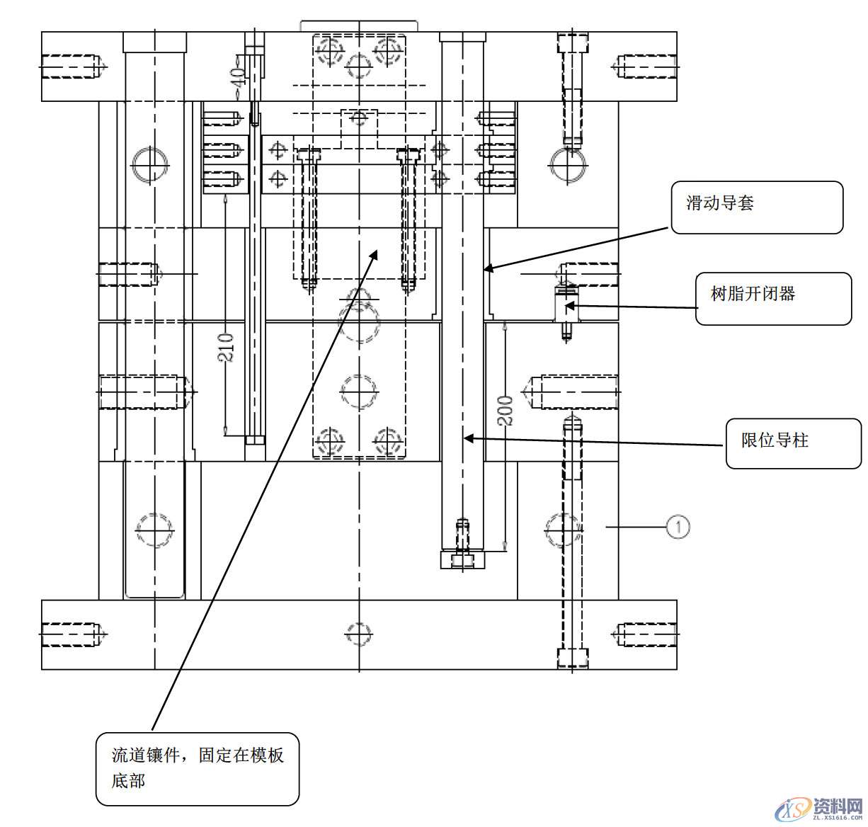
3.开模动作:开模后,后模随注射机后退,在树脂开闭器的拉动下,A板随B板后退,分型面暂不打开。水口镶件固定在A板背面,也随A板移动,在水口针9的作用下,水口料脱离水口镶件。继续开模,A板在限位导柱的限位下,停止移动,分型面打开。

模具依靠2个油缸推出,活塞杆头部分别固定在顶针面板的两端(图中未示出),缸体固定在A板背面。油缸和顶出系统随A板移动。A板被限位后,油缸推动顶针板带动顶针和司筒将塑件顶出。继续顶出,顶针板被小拉杆限位,小拉杆带动水口板将水口料从水口针9上拉出。

4.镶件设计:前模镶件采用打散做镶件的方法,实现全镶拼结构。全镶拼结构能有效降低加工量,节省模具钢材1,便于排气。见图3.
三.总结
整套模具设计结构新颖,动作可靠。需要注意顶针的排布不要阻碍水口料的移出。A板不能与方铁固定,其限位导柱应能灵活滑动。



东莞潇洒职业培训学校目前开设课程有:学历提升、积分入户、数控编程培训、塑胶模具设计培训,压铸模具设计培训、冲压模具设计培训,精雕、ZBrush圆雕培训、Solidworks产品设计培训、pro/E产品设计培训、AutoformR7工艺分析培训,非标自动化设计、PLC编程、CNC电脑锣操机、平面设计等培训,潇洒职业培训学校线下、线上等网络学习方式,随到随学,上班学习两不误,欢迎免费试学!
联系电话:13018636633(微信同号) QQ:1740467385
学校官网:www.dgxspx.com 人才制造网:https://www.58hr.net
1;所有标注为智造资料网zl.fbzzw.cn的内容均为本站所有,版权均属本站所有,若您需要引用、转载,必须注明来源及原文链接即可,如涉及大面积转载,请来信告知,获取《授权协议》。
2;本网站图片,文字之类版权申明,因为网站可以由注册用户自行上传图片或文字,本网站无法鉴别所上传图片或文字的知识版权,如果侵犯,请及时通知我们,本网站将在第一时间及时删除,相关侵权责任均由相应上传用户自行承担。
[complaint:内容投诉]
智造资料网打造智能制造3D图纸下载,在线视频,软件下载,在线问答综合平台 » 塑胶模具设计:倒装模显示器底座的细水口设计详细流程

