扫描仪快门产品最大外形尺寸为 121.80 mm x 88.86 mm x 25.77 mm,塑件平均胶位厚度 2.70 mm,塑件材料 为 PC+ABS,缩水率为 1.005,塑件质量为 18.35 克,塑件技术要求为不得存在披峰、注塑不满、流纹、气孔、翘 曲变形、银纹、冷料、喷射纹、气泡等各种缺陷。

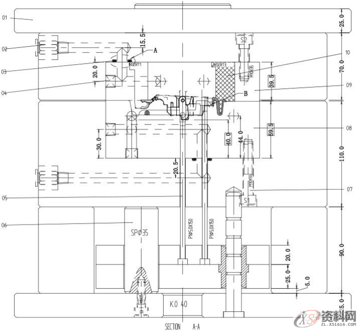
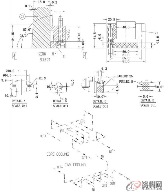
通孔,需要设计 抽芯机构 扫描仪快门产品图见图 1 所示,塑件为复杂支架,虽无复杂曲面,但高低起伏较大,造型复杂。塑件的另一 个特点是外形左右对称。在产品中,该塑件承担功能性支撑作用,是产品内部的关键零件。塑件中间有 4 个垂直 立壁,其上分别有一个ø3.2 通孔,此处 4 孔必须保证同心度要求,便于其它相关零件组装后转动灵活。塑件 U 型 的两端开口处,分别有一个擦穿位卡钩,用来组装其他原件,U 型的底部有一个卡钩,所有这些安装部位都要求 尺寸准确。因此塑件对几何公差有较高要求。塑件材料 PC+ABS,俗称塑料合金,结合了两种材料的优异特性, 即 ABS 材料的成型性和 PC 的机械性、冲击强度和耐温、抗紫外线(UV)等性质。模具设计的难点是开模方向的选择、分型面的设计和 4 个通孔的滑块抽芯机构设计。塑件的分型面分析见图 2. 由于塑件尺寸较大,结构复杂,分型面高低起伏,擦穿位多,模具排位为 1 出 1. 模胚为标准模胚 CI3035 A70B110C90,模具设计图见图 3。对于本套模具来说,开模方向的选择十分重要。定性的分析表明,塑件对前模和对后模的包紧力相差不大, 无论将塑件的哪一面设计在前模,都有粘前模的风险。实际模具设计图中,选择了将骨位较多的一侧设计在定模。这样设计的优点是滑块的行程较小。但是塑件中间 4 个孔的位置更加容易粘前模。为此,设计了后模滑块与前模 斜弹滑块相结合的抽芯方式。前模斜弹滑块在抽芯的同时可以克服塑件对前模的包紧现象。前模斜弹滑块由限位 块 21 限位,见剖面图 M-M. 模具的进胶方式为大水口模具,浇口为侧浇口,3 点进胶,见模具设计图 3。

图 1 扫描仪快门产品图
塑件的顶出系统设计十分关键,塑件沿中心线两端对称,因此,顶出系统设计也完全对称。两端的顶出力完 全相同。顶出系统全部采用顶针顶出。顶针孔采用慢走丝线割,孔的直径方向与顶针单边间隙 0.01,可以有效排 气而不出现披锋。检测顶针间隙的方法是将顶针从后模仁穿入后,可以轻松转动而没有卡滞现象。顶针板上顶针 杯头深度公差为 0.02,防止顶针卡滞,保持顶出力平衡,避免塑件顶出变形。

图 2 扫描仪快门分型面分析







图 3 扫描仪快门模具设计图
东莞潇洒职业培训学校开设课程有:数控编程培训、塑胶模具设计培训,冲压模具设计培训,精雕、ZBrush圆雕培训、Solidworks产品设计培训、pro/E产品设计培训、AutoformR7工艺分析培训,潇洒职业培训学校线下、线上网络学习方式,随到随学,上班学习两不误,欢迎免费试学!联系电话:13018639977
联系电话:13018639977(微信同号)QQ:2033825601
学习地址:东莞市横沥镇新城工业区兴业路121号-潇洒职业培训学校
1;所有标注为智造资料网zl.fbzzw.cn的内容均为本站所有,版权均属本站所有,若您需要引用、转载,必须注明来源及原文链接即可,如涉及大面积转载,请来信告知,获取《授权协议》。
2;本网站图片,文字之类版权申明,因为网站可以由注册用户自行上传图片或文字,本网站无法鉴别所上传图片或文字的知识版权,如果侵犯,请及时通知我们,本网站将在第一时间及时删除,相关侵权责任均由相应上传用户自行承担。
[complaint:内容投诉]
智造资料网打造智能制造3D图纸下载,在线视频,软件下载,在线问答综合平台 » 扫描仪快门注塑模具设计要点

