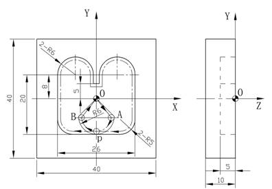
加工图所示零件凹槽的内轮廓,采用刀具半径补偿指令进行编程。
图 刀具半径补偿加工内轮廓 |
内轮廓加工采用刀具半径右刀补偿,为了提高表面质量,刀具沿一过渡圆弧切入与切出,保证零件曲面的平滑过渡。 O→A为刀具半径右补偿建立段,A→P为沿圆弧切线切入段,P→B为沿圆弧切线切出,P点为切入与切出点,B→O为刀具半径补偿取消段。数控程序如下:
O2;
G90G54G00Z100.0S800M03;
X0Y0;
Z5.0;
G01Z-5.0F100;
G42X6.0Y-6.0F120D31;
G03X0Y-12.0R6.0;
G01X-8.0;
G03X-13.0Y-8.0R5.0;
G01Y8.0;
G03X-1.0R6.0;
G01Y5.0;
X1.0;
Y8.0;
G03X13.0R6.0;
G01Y-8.0;
G03X8.0Y-12.0R5.0;
G01X0;
G03X-6.0Y-6.0R6.0;
G01G40X0Y0;
G00Z100.0;
M05;
M30;
免责声明:
1;所有标注为智造资料网zl.fbzzw.cn的内容均为本站所有,版权均属本站所有,若您需要引用、转载,必须注明来源及原文链接即可,如涉及大面积转载,请来信告知,获取《授权协议》。
2;本网站图片,文字之类版权申明,因为网站可以由注册用户自行上传图片或文字,本网站无法鉴别所上传图片或文字的知识版权,如果侵犯,请及时通知我们,本网站将在第一时间及时删除,相关侵权责任均由相应上传用户自行承担。
[complaint:内容投诉]
智造资料网打造智能制造3D图纸下载,在线视频,软件下载,在线问答综合平台 » 刀具半径补偿加工零件凹槽的内轮廓编程举例(图文教程)
1;所有标注为智造资料网zl.fbzzw.cn的内容均为本站所有,版权均属本站所有,若您需要引用、转载,必须注明来源及原文链接即可,如涉及大面积转载,请来信告知,获取《授权协议》。
2;本网站图片,文字之类版权申明,因为网站可以由注册用户自行上传图片或文字,本网站无法鉴别所上传图片或文字的知识版权,如果侵犯,请及时通知我们,本网站将在第一时间及时删除,相关侵权责任均由相应上传用户自行承担。
[complaint:内容投诉]
智造资料网打造智能制造3D图纸下载,在线视频,软件下载,在线问答综合平台 » 刀具半径补偿加工零件凹槽的内轮廓编程举例(图文教程)


