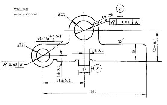
图1所示为车床进刀轴架零件,若已知其工艺过程为:
(1)划线;
(2)粗精刨底面和凸台;
(3)粗精镗φ32H7孔;
(4)钻、扩、铰φl 6H9孔。
试选择各工序的定位基准并确定各限制几个自由度。
解:第一道工序划线。当毛坯误差较大时,采用划线的方法能同时兼顾到几个不加工面对加工面的位置要求。选择不加工面R22㎜外圆和R15㎜外圆为粗基准,同时兼顾不加工的上平面与底面距离18㎜的要求,划出底面和凸台的加工线。

图1 车床进刀轴架
第二道工序按划线找正,刨底面和凸台。
第三道工序粗精镗φ32H7孔。加工要求为尺寸32±0.1㎜、6±0.1㎜及凸台侧面K的平行度0.03㎜。根据基准重合的原则选择底面和凸台为定位基准,底面限制三个自由度,凸台限制两个自由度,无基准不重合误差。
第四道工序钻、扩、铰φ16H9孔。除孔本身的精度要求外,本工序应保证的位置要求为尺寸4±0.1㎜、51±0.1㎜及两孔的平行度要求0.02㎜。根据精基准选择原则,可以有三种不同的方案:
(1)底面限制三个自由度,K面限制两个自由度 此方案加工两孔采用了基准统一原则。夹具比较简单。设计尺寸4±0.1㎜基准重合;尺寸51±0.1㎜的工序基准是孔φ32H7的中心线,而定位基准是K面,定位尺寸为6±0.1㎜,存在基准不重合误差,其大小等于0.2㎜;两孔平行度0.02㎜也有基准不重合误差,其大小等于0.03㎜。可见,此方案基准不重合误差已经超过了允许的范围,不可行。
(2)φ32H7孔限制四个自由度,底面限制一个自由度 此方案对尺寸4±0.1㎜有基准不重合误差,且定位销细长,刚性较差,所以也不好。
(3)底面限制三个自由度,φ32H7孔限制两个自由度 此方案可将工件套在一个长的菱形销上来实现,对于三个设计要求均为基准重合,唯φ32H7孔对于底面的平行度误差将会影响两孔在垂直平面内的平行度,应当在镗φ32H7孔时加以限制。
综上所述,第三方案基准基本上重合,夹具结构也不太复杂,装夹方便,故应采用。
1;所有标注为智造资料网zl.fbzzw.cn的内容均为本站所有,版权均属本站所有,若您需要引用、转载,必须注明来源及原文链接即可,如涉及大面积转载,请来信告知,获取《授权协议》。
2;本网站图片,文字之类版权申明,因为网站可以由注册用户自行上传图片或文字,本网站无法鉴别所上传图片或文字的知识版权,如果侵犯,请及时通知我们,本网站将在第一时间及时删除,相关侵权责任均由相应上传用户自行承担。
[complaint:内容投诉]
智造资料网打造智能制造3D图纸下载,在线视频,软件下载,在线问答综合平台 » 车床进刀轴架零件加工工艺分析(图文教程)

