戳行业
一、注塑模具的定义
塑料注射成型所用的模具称为注塑成型模具,简称注塑模。注塑模能一次成型外形复杂、尺寸精确高或带有嵌件的塑料制品。
“七分模具,三分工艺”。对注塑加工来说,模具和注塑机一样对成型品的质量有很大的影响,甚至可以说模具比注塑机所起的作用更大;在注塑成型时如果对模具不充分了解,就难以得到优良的成型品。
二、注塑模具的结构
注塑模的结构由注塑机的类型和塑件的结构特点所决定,每副模具均由动模和定模所组成。动模安装在注塑机的移动板上,而定模则安装在注塑机的固定板上;注塑时,动模与定模闭合后构成浇注系统及型腔,当模具分开后,塑件或啤件留在动模一边,再由设置在动模内的脱模机构顶出塑件。根据模具中各个部件的作用不同,一套注塑模可以分成以下几个部分:
1、成型零件
赋予成型材料形状、结构、尺寸的零件,通常由型芯(凸模)、凹模型腔以及螺纹型芯、镶块等构成。
2、浇注系统
它是将熔融塑料由注射机喷嘴引向闭合模腔的通道,通常由主流道、分流道、浇口和冷料井组成。
3、导向部件
为了保证动模与定模闭合时能够精确对准而设置的导向部件,起导向定位作用,它是由导柱和导套组成的,有的模具还在顶出板上设置了导向部件,保证脱模机构运动平稳可靠。
4、脱模机构
实现塑件和浇注系统脱模的装置,其结构形式很多,最常用的有顶针、顶管、顶板及气动顶出等脱模机构,一般由顶杆、复位杆、弹弓、顶杆固定板、顶板(顶环)及顶板导柱/导套等组成。
5、模温调节系统
为了满足注射成型工艺对模具温度的要求,需要有模温调节系统加热棒对模具温度进行调节。
6、排气系统
为了将模腔内的气体顺利排出,常在模具分型面及镶套镶件配合处开设排气槽。
8、其它结构零件
是指为满足模具结构上的要求而设置的零件(如:固定板、动/定模板、支撑柱、支承板及连接螺钉等)。
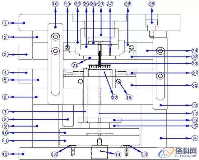
三、注塑模具的组成及作用
1、注塑模具由以下部分组成。

2、组成明细及作用
1、上固定板:用于机台台面开合模固定模具及模具前模部分成型不可缺少的部分。
2、脱料板:固定拉料水口板。
3、磁铁:通过磁性控制模具开合模。
4、方铁:配合磁铁控制模具开合模。
5、公模板:固定公模仁及模仁承板。
6、模板承板:固定公模板,同时安插发热棒。
7、导料销:固定料带。
8、限位柱:限制导料销顶出高度。
9、模角:固定作用,同时给顶针板足够的高度运动行程
10、上顶针板:固定顶针。
11、下顶针板:固定上顶针板。
12、下固定板:固定模脚,垃圾钉,同时给下模一个基础的固定及用于机台台面开合模固定模具。
13、垃圾钉:限高,使下顶针板跟下固定板配合顺畅,预防有杂物流入此两板间,使顶针合导料销顶出不平。
14、顶棍柱(K.O柱):用于机台顶出顶针及导料销。
15、小顶针板块:固定导料销。
16、小顶针板:固定导料销。
17、顶针:顶出料带,使料带与模具脱离。
18、外拉杆:做用于拉开行腔及限制行腔开模距离。
19、发热棒:给模具升温。
20、模仁承板:固定后模仁及后模镶套镶件。
21、公模仁:固定镶针镶套,主要用于产品成型。
22、流道:注塑成型的一部分。
23、母模仁:固定前模镶块,主要用于产品成型。
24、母模板:固定母模仁。
25、小拉杆:固定上固定板和脱料板的开模行程。
26、模母仁垫板:固定母模仁,同时按插发热棒。
27、拉料固定板:固定拉料针,防止模具在注塑过程中把拉料针往外顶出。
28、唧嘴:用于机台射嘴注塑成型的主要入口。
29、拉料板:拉起拉料针。
30、拉料水口板:固定拉料针。
31、前模镶块:固定流道板及母模仁。
32、后模镶针镶套:主要用于产品杯口成型。
33、拉料针:拉动水口。
四、注塑模具的结构分类
1.按模塑方法分类:
(1)注射模:系在注射机上使用的模具。主要用与成型热塑性塑料, 少数品种的热固性塑料适用于该模具成型。
(2)压缩模:系在液压机上采用压缩工艺来成型塑件的模具。 它主要用于成型热固性塑料。
(3)压注模:系在液压机上采用压注工艺来成型塑件的模具。 它适用于成型热固性塑料。
2.按型腔数目分类:
(1) 单型腔模具
系仅有一个型腔的模具,每次成型一个塑件。
(2) 多型腔模具
系有两个或两个以上的型腔的模具,可一模成型多个塑件。

单型腔模

多型腔模
五、标准模架的选择方法

4)选取标准的型腔模板周界尺寸
5)确定模板厚度
6)选定模架
7)检验模架与注射机的关系
N95口罩耳带机、N95切片加内置鼻梁一体机、N95口罩机整套现货,预订电话:13018639977
CNC数控编程培训、塑胶模具设计培训,冲压模具设计培训,精雕、ZBrush圆雕培训、Solidworks产品设计培训、pro/E产品设计培训,潇洒职业培训学校线下、线上网络学习方式,随到随学,上班学习两不误,欢迎免费试学!
联系电话:13018639977(微信同号)QQ:2033825601
学习地址:东莞市横沥镇新城工业区兴业路121号-潇洒职业培训学校
1;所有标注为智造资料网zl.fbzzw.cn的内容均为本站所有,版权均属本站所有,若您需要引用、转载,必须注明来源及原文链接即可,如涉及大面积转载,请来信告知,获取《授权协议》。
2;本网站图片,文字之类版权申明,因为网站可以由注册用户自行上传图片或文字,本网站无法鉴别所上传图片或文字的知识版权,如果侵犯,请及时通知我们,本网站将在第一时间及时删除,相关侵权责任均由相应上传用户自行承担。
[complaint:内容投诉]
智造资料网打造智能制造3D图纸下载,在线视频,软件下载,在线问答综合平台 » UG塑胶模具设计-注塑模具结构的作用及组成

