§1-1 常用绘图工具、用品及仪器
“工欲善其事,必先利其器”。正确地选择和使用绘图工具和用品是学好《制图》课程的前提。常用的绘图工具和用品共有10种,现一一介绍给大家:
一、常用绘图工具
1、图板:
图板是用来固定图纸的矩形木板。其要求:
(1)板面平整、光滑;
(2)左侧的“导边”应平直。
#常用图板规格:
0号(900mm×1200mm)、1号(600mm×900mm)、2号(450mm×600mm)
2、丁字尺:
丁字尺由“尺头”和“尺身”组成。
#其用途:
(1)与图板配合来画平行线。
(2)与图板、三角板配合来画角度线、垂直线。
3、三角板:
一副三角板由两块三角板组成,一块45º,另一块30º(或60º)。
#其用途:
(1)与丁字尺配合来画垂直线、倾斜线(15º倍数角的角度线):45º、30º、60º、75º、105º和15º等,
(2)两块三角板配合来画已知直线的平行线或垂直线。
4、比例尺:
比例尺俗称“三棱尺”,共有六种常用的比例刻度,是供绘制不同尺寸比例的图形所用的。
注意:比例尺不能当作直尺来画线使用,只能用于量取不同比例的尺寸。
5、曲线板:
曲线板是用于绘制不规则的非圆曲线的工具(可正、反两面使用)。
其使用方法:
(1)至少保证4个点(或4个以上的点)与曲线板的边缘相吻合,才能连接这4个点(或4个以上的点)。
(2)两段之间应有重复。
二、常用的绘图用品
1、铅笔:
铅笔分:硬、中、软三种。其标号有:6H、5H、4H、3H、2H、H、HB、B、2B、3B、4B、5B、6B共13种。其中:6H为最硬,HB为中等硬度,6B为最软。
铅笔的选择与使用:
(1)绘制底稿时,应使用H或2H铅笔,并削成尖锐的圆锥形;
(2)绘制图形时,应使用B或HB铅笔,并削成四棱柱形(扁铲形)。
(3)铅笔应从没有标号的一端开始使用,以便保留铅笔的软硬标号。
2、绘图纸:
绘图纸有正、反面之分,绘图时,应选用正面画图。其识别方法:用橡皮擦拭几下,不易起毛的一面就是正面,或采用观察法,反光较亮的一面就是正面。
三、常用绘图仪器
1、分规:
分规是用来截取尺寸、等分线段或圆周的工具。
其使用方法:两针尖并拢时应对齐。。
2、圆规:
圆规是用来画“圆”或“圆弧”的工具。
(1)其附件有:钢针插脚、铅芯插脚、鸭嘴插脚、延长杆等。
(2)其使用方法:圆规的钢针端应是有“肩台”的一端;画大圆时,应保持肩台与铅芯平行、对齐。
#除上述绘图工具和用品之外,还应有:直尺、量角器、橡皮、擦图片、小刀、砂纸、胶带纸等。
§1-2 国家标准《技术制图》基本规定
本节所介绍的国家标准一部分源自最新的《技术制图》国家标准,例如GB/T 14689—1993《技术制图 字体》,其中“GB”为“国标”(国家标准的简称)二字的汉语拼音字头,“T”为推荐的“推”字的汉语拼音字头,“14689”为标准编号,“1993”为标准颁布的年号。另有部分源自《机械制图》国家标准,例如GB/T 4458.4—1984,其中“4458.4”为标准编号,“1984”为该标准颁布的年号。
一、图纸的幅面和格式(GB/T14689—1993)
1、图纸幅面
为了保证图纸大小的统一,以便于图纸的装订、图纸的保管、图纸的缩印,对图纸的幅面做如下规定:
图纸幅面和格式(GB/T14689 --1993)
图纸幅面尺寸和代号:A0、A1、A2、A3、A4、A5

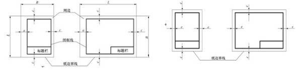
2、图框格式(图框线)
图纸在绘图前都必须用粗实线画出图框线,所画图样(图形)应在图框线之内。
图框线的格式有二种:
⑴不留装订边格式 ⑵留装订边格式。

3、标题栏及方位
标题栏中的文字方向为看图方向。标题栏的格式、内容和尺寸在国家标准(GB/T10609.1—1989)中已作了规定,学生制图作业建议采用图所示的标题栏格式。

4、附加符号
(1)、对中符号:为了复制或摄影时定位方便,在各边的中点处分别画出对中符号。
从图纸边界开始伸入图框约5mm,线宽不小于0.5mm的粗实线。当对中符号在标题栏范围内时,则伸入标题栏部分省略不画。
(2)、方向符号:当绘图和读图方向与标题栏方向垂直时,为了明确绘图和读图的方向,在对中符号处画一个方向符号(细实线的等边三角形)。
二、比例
1、术语
⑴比例:图纸中的图形与实物相应要素的线性尺寸之比。
原值比例:比值为1的比例,即1:1。
放大比例:比值大于1的比例,如2:1。
缩小比例:比值小于1的比例,如1:2。
2、比例系列
⑴首选表1-2中的优先选用比例系列,再选允许选择比例系列。
⑵无论比例如何,所标注的尺寸数值都应是实物的实际大小尺寸。如
为了看图方便,绘制图样时。应尽可能按机件的原值比例画出。如果机件太大或太小,应采用表1-2中规定的优先比例画图。
图样无论是放大或缩小画出,标注尺寸时,均应按机件的实际大小尺寸标注,与绘图的比例无关。
3、比例的标注
(1)标注在标题栏内。
(2)标注在视图名称的下方或右侧。如I/2:1、B-B/5:1等。

三、字体(GB/T14691—1993)
图样上除了表达机件的图形外,还要用文字和数字说明机件的大小、技术要求和其它内容。在图样中书写字体必须做到:字体工整、笔划清楚、间隔均匀、排列整齐。
字体的号数,称为字体高度,用 h 表示。其公称尺寸系列为:1.8、2.5、3.5、5、7、10、14、20mm。如书写更大的字,其字体高度应按
的比率递增。
1、汉字:长仿宋体

2、字母和数字:
字母和数字可写成斜体或直体。斜体字字头向右倾斜,与水平基准线成75度。
ABCDEFGHIJKLMNOPQRSTUVWXY拉丁字母示例
bcdefghijklmnopqrstuvwxy
Ⅰ Ⅱ Ⅲ Ⅳ Ⅴ Ⅵ Ⅶ Ⅷ Ⅸ Ⅹ罗马数字示例
0 1 2 3 4 5 6 7 8 9 阿拉伯数字示例
ABCDEFGHIJKLMNOPQRSTUVWXY
希腊字母示例:

(1)A型和B型:
A型字体:笔画宽度=h/14(h为字高)
B型字体:笔画宽度=h/10(h为字高)
(2)直体和斜体(向右倾斜75º)两种。
四、图线(GB/T17450—1998)
图线是画图时所采用的各种型式的线。
1、 图线的形式及应用(如表1-4所示)


2、图线的尺寸:
图线分为粗、细两种。以粗线宽度作为基础,细线的宽度应为粗线宽度的一半。在表1–4所列出的各种图线中,除粗实线外的其它各种图线宽度都应为粗实线宽度的一半。图线宽度的推荐系列为:0.18,0.25,0.35,0.5,0.7,1,1.4,2 mm,粗线的宽度一般按图样的大小和复杂程度在0.5~2 mm之间选择。
3、图线的画法:
⑴同一张图样中,同类图线的宽度应一致,线段长度和间隔应大致相等。
⑵各种图线相交,都应以线段相交,而不应是点或空隙相交。
⑶虚线与实线相交,应留有空隙。虚线圆弧与实线圆弧相切,应留有空隙。
⑷点画线的“点”,是一小线段,不是点。点画线的起始端为直线段,并应超出轮廓线2~5mm。
⑸绘制圆的中心线时,圆心应为线段相交。点画线的两端应超出圆2~5mm。小圆的中心线可用细实线代替点画线。
⑹当实线与虚线或点画线重叠时,画实线;当虚线与点画线重叠时,画虚线。



(7)图线不得与文字、数字或符号重叠、混淆。不可避免时,应首先保证文字、数字或符号清晰。当某些图线互相重叠时,应按粗实线、虚线、点画线的顺序只画前面的一种。


五、尺寸注法
尺寸是零件制造的直接依据,是图样的重要内容。国标专门规定了尺寸的标注准则。
(一)标注尺寸的基本规则
1、图样上的尺寸是零件的实际尺寸,与比例、准确度无关。
2、图样上的尺寸是以毫米(mm)为单位,并不标出。
3、图样上的尺寸是所示机件完工后的尺寸,否则应另加说明。
4、一个尺寸只能标注一次。
(二)尺寸的组成
尺寸由四部分组成:尺寸界线、尺寸线(包括终端箭头等)、尺寸数字。并用细实线画出。

1、尺寸界线:由图形的轮廓线、轴线、对称中心线引出,并超出尺寸线末端2~3mm。
#尺寸界线一般与尺寸线垂直,必要时才允许倾斜。倾斜时,两条尺寸界线应平行

2、尺寸线:
1;所有标注为智造资料网zl.fbzzw.cn的内容均为本站所有,版权均属本站所有,若您需要引用、转载,必须注明来源及原文链接即可,如涉及大面积转载,请来信告知,获取《授权协议》。
2;本网站图片,文字之类版权申明,因为网站可以由注册用户自行上传图片或文字,本网站无法鉴别所上传图片或文字的知识版权,如果侵犯,请及时通知我们,本网站将在第一时间及时删除,相关侵权责任均由相应上传用户自行承担。
[complaint:内容投诉]
智造资料网打造智能制造3D图纸下载,在线视频,软件下载,在线问答综合平台 » 机械制图基本知识和技能(图文教程)

