1.1 装配图的概述
装配图是表示产品及其组成部分的连接、装配关系的图样。它应表明机器或部件的结构形状、装配关系、工作原理、技术要求等内容。一副完整的装配图如下图所示。

1.1.1 装配图的作用
装配图是机器设计中设计意图的反映,是机器设计、制造过程中的重要技术依据。装配图的作用有以下几方面:
进行机器或部件设计时,首先要根据设计要求画出装配图,表示机器或部件的结构和工作原理。
生产、检验产品时,是依据装配图将零件装成产品,并按照图样的技术要求检验产品。
使用、维修时,要根据装配图了解产品的结构、性能、传动路线、工作原理等,从而决定操作、保养和维修的方法。
在技术交流时,装配图也是不可缺少的资料。因此,装配图是设计、制造和使用机器或部件的重要技术文件。
1.1.2 装配图的内容
从球阀的装配图中可知装配图应包括以下内容:
一组视图:表达各组成零件的相互位置、装配关系和连接方式,部件(或机器)的工作原理和结构特点等。
必要的尺寸:包括部件或机器的规格(性能)尺寸、零件之间的配合尺寸、外形尺寸、部件或机器的安装尺寸和其它重要尺寸等。
技术要求:说明部件或机器的性能、装配、安装、检验、调整或运转的技术要求,一般用文字写出。
标题栏、零部件序号和明细栏:同零件图一样,无法用图形或不便用图形表示的内容需要用技术要求加以说明。如有关零件或部件在装配、安装、检验、调试以及正常工作中应当达到的技术要求,常用符号或文字进行标注。
例如,球阀装配结构中,在各密封件装配前必须浸透油;装配滚动轴承允许采用机油加热进行组装,油的温度不得超过100℃;零件在装配前必须清洗干净;装配后应按设计和工艺规定进行空载试验。试验时不应有冲击、噪声,温升和渗漏不得超过有关标准规定;齿轮装配后,齿面的接触斑点和侧隙应符合GB10095和GB11365的规定等。球阀的装配图如右图所示。

1.1.3 装配图的种类
根据表达目的的不同可将装配图分为设计装配图、外形装配图、常规装配图、局部装配图和剖视装配图。
1. 设计装配图
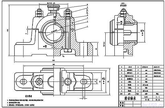
设计装配图将主要部件画在一起,以便确定其距离及尺寸关系等,常用来评定该设计的可行性。如下图所示为滑动轴承轴测装配图。


2. 外形装配图
外形装配图概括画出各个部件的结构,如主要尺寸、中心线等,常用来为销售提供相应零部件的目录及明细表。如右图所示为外形测装配图。

3. 常规装配图
常规装配图清楚表达各个部件的装配关系及其作用,包括外形及剖视图、必要的尺寸及零件序号等,并列有明细栏,如下图所示。

4. 局部装配图
局部装配图仅将最复杂的装配部分画成局部剖视图以便于建立主要装配结构,如右图所示。

5. 剖视装配图
复杂的装配关系应画成剖视装配图,以便使不易辨认的隐藏装配结构一目了然的表达清楚,如下图所示。

1.2 装配图的图形画法
在零件图上所采用的各种表达方法,如视图、剖视、断面、局部放大图等也同样适用于画装配图。但是画零件图所表达的是一个零件,而画装配图所表达的则是由许多零件组成的装配体(机器或部件等)。装配图应该表达出装配体的工作原理、装配关系和主要零件的主要结构形状。因此,国家标准《机械制图》对绘制装配图制定了规定画法、特殊画法和简化画法。
1.2.1 装配图规定画法
为了明显区分每个零件,又要确切在表示出它们之间的装配关系,对装配图的画法做了如下的规定。
1.接触面与配合面的画法
相邻两零件接触表面和配合面规定只画一条线,两个零件的基本尺寸不相同套装地一起时,即使它们之间的间隙很小,也必须画出有明显间隔的两条轮廓线,如下图所示。

2. 剖面线的画法
同一零件的剖面线在各剖视图、断面图中应保持方向一致,间隔相等。两零件邻接时,不同零件的剖面线方向应相反,或者方向一致、间隔不等,如下图所示

3. 紧固件和实心零件的画法
对于紧固件和实心零件(如螺钉、螺栓、螺母、垫圈、键、销、球及轴等),若剖切平面通过它们的轴线或对称平面时,则这些零件均按不剖绘制;需要时,可采用局部剖视图。当剖切平面垂直于这些紧固件或实心件的轴线剖切时,则这些零件应按剖视绘制,如下图所示。

1.2.2 特殊画法
为了能够简单而清楚地表达一些部件的结构特点,在装配图的画法上规定了一些特殊的画法。如沿零件结合面的剖切画法、拆卸画法、假想画法、夸大画法及展开画法等。
1. 沿零件结合面的剖切画法
为了表示部件内部的装配和工作情况,在装配图中可以假象沿零件的结合面切开部件,然后画出图形,结合面上不画剖面符号(剖面线),但对轴和连接件如果垂直于轴线剖切,应当画出剖面线。如下图所示的剖视图,表示了两个转子的位置、结构与运动情况以及进油孔、定位销的位置。

2. 拆卸画法
为了表示部件的内部结构,可以假想将某些零件拆去,然后进行投影,其它视图按不拆画出。采用拆去画法时,应在对应的视图上标明拆去零件的编号或名称。
3. 假想画法
以下两种情况可以采用假想画法,被假想的零部件采用双点画线表示。
(1) 一是为了表达机器或部件与相邻部件的关系,可以将不属于本机器或部件的部分用双点画线画出,如上图所示主视图的左侧双点画线表示机体,用双点画线表示的部分按照透明零件或部件来画,它不能遮挡实际的零部件;
(2) 二是对于运动零件,为了表示它们的极限位置,可以用双点画线假想表示,如右图所示。

4. 夸大画法
不接触表面的小间隙、薄垫片、小直径的弹簧等,可以不按比例画出,而是采用适当加大尺寸画出。
5. 展开画法
为表达不在同一平面内而又相互平行轴上的零件,以及轴与轴之间的传动关系,可以按照传动顺序沿轴线切开,然后依次将轴线展开在同一平面画出,并标注X-X展开。如下图所示为A-A展开图

6. 简化画法
装配图主要表达的是部件的装配关系、工作原理,主要零部件的结构等,因此在装配图的表达中,应当尽量采用简化画法。其主要表现在以下几个方面:
在装配图中,对若干相同的零件组如螺栓、螺钉连接等,可以仅详细地画出一处或几处,其余只需用点划线表示其位置。在俯视图和主视图中对四组螺栓连接只画了一组,如下图所示中的省略画法。

对均匀分布的螺纹连接件,允许只画一个或一组,其余的用中心线表明安装位置。
对于滚动轴承和密封圈,一般采用特征画法(一半按比例画法、一般为特征画法),也可以采用通用化法,如下图所示。

在装配图中皮带可用粗实线表示,传动链可用细点画线来表示。如下图所示。

在能表达清楚部件特征(如电机等)的情况下,在装配图可以仅画简化后轮廓的投影。
与零件图一样,对称的零部件可以只画一半或者二分之一,如下图所示。

在化工、锅炉设备的装配图中,可以用细点画线表示密集的管子。
1.3 装配图的标注与技术要求
装配图的作用与零件图不同,因此,在图上标注尺寸的要求也不同。在装配图上应该按照对装配体的设计或生产的要求来标注某些必要的尺寸。除尺寸标注外,装配图中还应包括技术要求、零件编号、零件明细栏等要素。
1.3.1 装配图的尺寸标注
装配图上的尺寸应标注清晰、合理,零件上的尺寸不一定全部标出,只要求标注与装配有关的几种尺寸。一般常注的有性能(规格)尺寸、装配尺寸、安装尺寸、外形尺寸,以及其它重要尺寸等。
1. 性能(规格)尺寸
规格尺寸或性能尺寸是机器或部件设计时要求的尺寸。
2. 装配尺寸
装配尺寸包括保证有关零件间配合性质的尺寸、保证零件间相对位置的尺寸、装配时进行加工的尺寸。
3. 安装尺寸
机器或部件安装到基础或其它设备上时所必需的尺寸。
4.外形尺寸
机器或部件整体的总长、总高、总宽。它是运输、包装和安装必须提供的尺寸,如厂房建设、包装箱的设计制造、运输车辆的选用都涉及到机器的外形尺寸。外形尺寸也是用户选购的重要数据之一。
5.其他重要尺寸
在设计中经过计算而确定的尺寸,如运动零件的极限位置尺寸、主要零件的重要尺寸等。
上述几种尺寸在一张装配图上不一定同时都有,有的一个尺寸也可能包含几种含义。应根据机器或部件的具体情况和装配图的作用具体分析,从而合理地标注出装配图的尺寸。
1.3.2 装配图上的技术要求
技术要求是指在设计中,对机器或部件的性能、装配、安装、检验和工作所必需达到的技术指标以及某些质量和外观上的要求。如一台发动机在指定工作环境(如温度)下,能达到的额定转速、功率,装配时的注意事项,检验所依据的标准等。
技术要求一般注写在装配图的空白处,对于具体的设备其涉及的专业知识较多,可以参照同类或相近设备,结合具体的情况进行编制。
1. 装配图上的零件编号
装配图的图形一般较复杂,包含的零件种类和数目也较多,为了便于在设计和生产过程中查阅有关零件,在装配图中必须对每个零件进行编号。下面介绍零件编号的一般规定及序号的标注方法。
2. 零件编号的一般规定
零件编号的原则如下:
装配图中每种零、部件都必须编写序号。同一装配图中相同的零、部件只编写一个序号,且一般只注一次。
零、部件的序号应与明细栏中的序号一致。
同一装配图中编写序号的形式应一致。
3. 序号的标注方法
零件编号是由圆点、指引线、水平线或圆(均为细实线)及数字组成。序号写在水平线上或小圆内。序号字高应比该图中尺寸数字大一号或二号,如下图所示。

指引线应自所指零件的可见轮廓内引出,并在其末端画一圆点;若所指的部分不宜画圆点,如很薄的零件或涂黑的剖面等,可在指引线的末端画一箭头,并指向该部分的轮廓。
如果是一组紧固件,以及装配关系清楚的零件组,可以采用公共指引线,如图下图(b)所示。
指引线应尽可能分布均匀且不要彼此相交,也不要过长。指引线通过有剖面线的区域时,要尽量不与剖面线平行,必要时可画成折线,但只允许折一次,如下图(c)所示。
序号的字体应比尺寸数字的大一号,序号应按顺时针或逆时针方向整齐地排列在水平线或垂直线上,间距尽可能相等。

标准件也可以单独成一个系统进行编号,明细表单独画出。也可以在图中指引线末端的水平线上直接标注名称、规格、国标号。
1.3.3 件明细栏
零件明细栏是说明装配图中每一个零件、部件的序号、图号、名称、数量、材料、重量等资料的表格,是看图时根据图中零件序号查找零件名称、零件图图号等内容的重要资料,也是采购外购件、标准件的重要依据。
国标GB/T10609.2-1989推荐了明细栏的格式、尺寸,企业也可以根据自己的需要制定自己的明细栏格式,但一般应参照国标的格式执行。如右图所示为国标中推荐的格式之一。有关明细栏的规定如下:

明细栏一般配置在装配图标题栏的上方,按照由下向上的顺序填写,格数根据需要来定。位置不够时,可以紧靠在标题栏的左侧自下而上延续。
如果标题栏的上方无法配置标题栏时,可以作为装配图的续页按照A4幅面单独画出,其顺序为自上而下延伸,还可以续页。在每一页明细栏的下方配置标题栏,在标题栏中填写与装配图一样的名称和代号。
当装配图画在两张以上的图纸上时,明细栏应该放在第一张装配图上。
明细栏中的代号项填写图样相应部分的图样代号(图号)或标准件的标准号。部件装配图图号一般以00结束,如GZ-02-00表示序号为2的部件的装配图图号,GZ-02-01则表示该部件的第一个零件或子部件的图号。
1.4 装配图的绘制方法与步骤
装配图的绘制一般要经过了解和分析装配体、拆卸装配体、画装配示意图、画零件草图和画装配图等步骤。
1.4.1 了解和分析装配体
要正确地表达一个装配体,必须首先了解和分析它的用途、工作原理、结构特点以及装拆顺序等情况。对于这些情况的了解,除了观察实物、阅读有关技术资料和类似产品图样外,还可以向有关人员学习和了解。
例如,如下图所示为滑动轴承,它是支撑传动轴的一个部件,轴在轴瓦内旋转。轴瓦由上、下两块组成,分别嵌在轴承盖和轴承座上,座和盖用一对螺栓和螺母连接在一起。为了可以用加垫片的方法来调整轴瓦和轴配合的松紧,轴承座和轴承盖之间应留有一定的间隙。

4. 拆卸装配体
在拆卸前,应准备好有关的拆卸工具,以及放置零件的用具和场地,然后根据装配的特点,按照一定的拆卸次序,正确地依次拆卸。拆卸过程中,对每一个零件应扎上标签,记好编号。对拆下的零件要分区分组放在适当地方,以免混乱和丢失。这样,也便于测绘后的重新装配。
对不可拆卸连接的零件和过盈配合的零件应不拆卸,以免损坏零件。
如图下图所示的滑动轴承的拆卸次序可以这样进行:拧下油杯→用扳手分别拧下两组螺栓连接的螺母→取出螺栓,此时盖和座即分开→从盖上取出上轴瓦→从座上取出下轴瓦→拆卸完毕。

1.4.2 画装配示意图
装配示意图一般是用简单的图线画出装配体各零件的大致轮廓,以表示其装配位置、装配关系和工作原理等情况的简图。国家标准《机械制图》中规定了一些零件的简单符号,画图时可以参考使用。
画装配示意图应在对装配体全面了解、分析之后画出,并在拆卸过程中进一步了解装配体内部结构和各零件之间的关系,进行修正、补充,以备将来正确地画出装配图和重新装配装配体之用。如图5-23所示为滑动轴承装配示意图及其零件明细栏。

1.4.3 画零件草图
把拆下的零件逐个地徒手画出其零件草图。对于一些标准零件,如螺栓、螺钉、螺母、垫圈、键、销等可以不画,但需确定它们的规定标记。
画零件草图时应注意以下三点:
对于零件草图的绘制,除了图线是用徒手完成的外,其它方面的要求均和画正式的零件工作图一样。
零件的视图选择和安排,应尽可能地考虑到画装配图的方便。
零件间有配合、连接和定位等关系的尺寸,在相关零件上应注得相同。
1.4.4 画装配图
根据装配体各组成件的零件草图和装配示意图就可以画出装配图。画装配图前需要拟定表达方案。表达方案应包括选择主视图、确定视图数量和各视图的表达方法。
1. 选择主视图
一般按装配体的工作位置选择,并使主视图能够反映装配体的工作原理、主要装配关系和主要结构特征。
2. 确定视图数量和表达方法
主视图选定之后,一般地只能把装配体的工作原理、主要装配关系和主要结构特征表示出来,但是,只靠一个视图是不能把所有的情况全部表达清楚的。因此,就需要有其他视图作为补充,并应考虑以何种表达方法最能做到易读易画。
如图5-21所示,滑动轴承的俯视图表示了轴承顶面的结构形状,以及前后左右都是这一特征。为了更清楚地表示下轴瓦和轴承座之间的接触情况,以及下轴瓦的油槽形状,所以在俯视图右边采用了拆卸剖视。在左视图中,由于该图形亦是对称的,故取A—A半剖视。这样既完善了对上轴瓦和轴承盖及下轴瓦和轴承座之间装配关系的表达,也兼顾了轴承侧向外形的表达。又由于件9油杯是属于标准件,在主视图中已有表示,故在左视图中予以拆掉不画。
3. 画装配图的步骤
画装配图的步骤详细步骤如下:
Setp01:根据所确定的视图数目、图形的大小和采用的比例,选定图幅;并在图纸上进行布局。在布局时,应留出标注尺寸、编注零件序号、书写技术要求、画标题栏和明细栏的位置。 | Setp02:画出图框、标题栏和明细栏。 |
Setp03:画出各视图的主要中心线、轴线、对称线及基准线等。 | Setp04:画出各视图主要部分的底稿。通常可以先从主视图开始。根据各视图所表达的主要内容不同,可采取不同的方法着手。如果是画剖视图,则应从内向外画。这样被遮住的零件的轮廓线就可以不画。如果画的是外形视图,一般则是从大的或主要的零件着手。 |
Setp05:画次要零件、小零件及各部分的细节。 | Setp06: 加深并画剖面线。在画剖面线时,主要的剖视图可以先画。最好画完一个零件所有的剖面线,然后再开始画另外一个,以免剖面线方向的错误。 |
Setp07:画次要零件、小零件及各部分的细节。 | Setp08:编注零件序号,并填写明细栏和标题栏。 |
Setp09:填写技术要求等 | Setp10:仔细检查全图并签名,完成全图。 |
1.5 读装配图
阅读装配图,主要是了解机器或部件的用途、工作原理、各零件间的关系和装拆顺序,以便正确地进行装配、使用和维修。
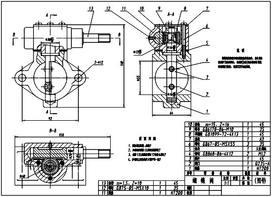
以球阀装配图为例,介绍读装配图的一般方法和步骤。球阀装配图如下图所示。

1.5.1 概括了解
通过标题栏、明细栏及有关技术资料,了解该部件的名称、用途、零件种类及大致组成情况。
球阀是管路中用来启闭及调节流体流量的一种部件,从图中可以看 出,球阀由12种零件(9种非标准件和3种标准件)组成,主要零件的材料是ZG25(铸钢)、Q235(碳素结构钢)等。
1.5.2 分析视图
根据视图的布置,弄清各图形的相互关系和作用,分析装配关系、工作原理、各零件间的定位连接方式等。
由图中可以看出,球阀装配图由两个视图表达。主视图用全剖视图反映球阀的装配关系和工作原理、传动方式等;左视图采用A-A半剖视图,用以补充表达阀体、阀芯和阀杆的结构形状。B-B局部剖视图表达了螺柱紧固件与阀体和阀盖的连接关系。
球阀的主视图完整地表达了它的装配关系。从图中可以看出阀体1内装有阀芯4,阀芯4上的凹槽与阀杆12的扁头榫接。阀体1和阀盖2均带有方形凸缘,它们用四组双头螺柱(1、2、3)连接,并用适当厚度的垫圈5调节阀芯4与密封圈3之间的松紧程度。
1.5.3 分析零件
从主要零件开始,弄清各零件的结构形状。首先由零件的序号找出它的名称、件数及其在各视图上的反映,再根据剖面线和投影关系,分析该零件的形状,如零件2(阀盖),下图所示.

1.5.4 归纳总结
在上面分析的基础上,对部件的工作原理、装配关系和装拆顺序、表达方案、尺寸标注和技术要求等方面进行归纳总结,从而加深对部件的全面认识,获得对部件的完整概念。如右图所示,为球阀的轴测图。

1.6 由装配图拆画零件图
由装配图拆画零件图,简称为拆图。拆图的过程也是继续设计零件的过程,它是在看懂装配图的基础上进行的一项内容。装配图中的零件类型可分为以下几种:
标准件:标准件一般属于外购件,不画零件图。按明细栏中标准件的规定标记,列出标准件即可。
借用零件:借用零件是借用定型产品上的零件,这类零件可用定型产品的已有图样,不拆画。
重要设计零件:重要零件在设计说明书中给出这类零件的图样或重要数据,此类零件应按给出的图样或数据绘图。
一般零件:这类零件是拆画的主要对象。
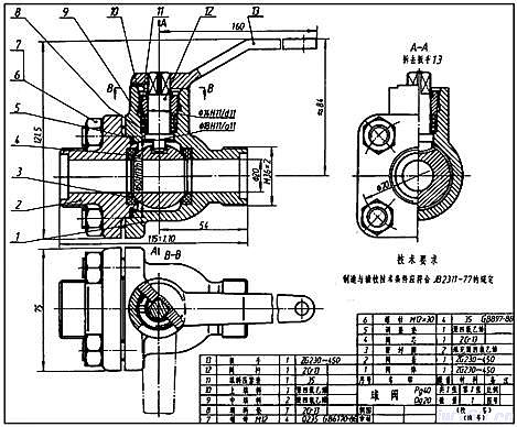
现以如图5-27所示的旋塞盖装配图为例,说明由装配图拆画零件图的方法和步骤。

1.6.1 分离零件
在看装配图时,已将零件分离出来,且已基本了解零件的结构形状,现将其它零件从中卸掉,恢复旋塞盖被挡住的轮廓和结构,即可得到旋塞盖完整的视图轮廓。
1.6.2 确定零件的视图表达方案
装配图的表达是从整个部件的角度来考虑的,因此装配图的方案不一定适合每个零件的表达需要,这样在拆图时,不宜照搬装配图中的方案,而应根据零件的结构形状,进行全面的考虑。有的对原方案只需作适当调整或补充,有的则需重新确定。
如旋塞盖,在主视图中的位置,既反映其工作位置,又反映其形状特征,所以这一位置仍作为零件图的主视图。而旋塞盖的方盘及上部端面形状、方盘上的四个螺柱孔的位置和深度未表达清楚,因此还需要局部视图和俯视图表达,但左视图已无必要,经分析后确定的视图表达方案如右图所示。

1.6.3 零件尺寸的确定
装配图中已标注的零件尺寸都应移到零件图上,凡注有配合的尺寸,应根据公差代号在零件图上注出公差带代号或极限偏差数值。
1.6.4 拆画零件图应注意的问题
在装配图中允许不画的零件的工艺结构如倒角、圆角、退刀槽等,在零件图中应全部画出。零件的视图表达方案应根据零件的结构形状确定,而不能盲目照抄装配图。要从零件的整体结构形状出发选择视图。箱体类零件主视图应与装配图一致;轴类零件应按加工位置选择主视图;叉架类零件应按工作位置或摆正后选择主视图。其它视图应根据零件的结构形状和复杂程度来选定。
装配图中已标注的尺寸,是设计时确定的重要尺寸,不应随意改动,零件图的尺寸,除在装配图中注出者外,其余尺寸都在图上按比例直接量取。对于标准结构或配合的尺寸,如螺纹、倒角、退刀槽等要查标准注出。
标注表面粗糙度、公差配合、形位公差等技术要求时,要根据装配图所示该零件在机器中的功用、与其它零件的相互关系,并结合自己掌握的结构和制造工艺方面知识而定。
1.7 AutoCAD装配图的绘制方法
利用AutoCAD绘制装配图可以采用的主要方法有:零件图块插入法,零件图形文件插入法,根据零件图直接绘制和利用设计中心拼画装配图等。下面将结合下图所示的蜗轮减速器装配图的具体绘制过程,分别介绍几种绘制方法。

1.7.1 直接绘制装配图
对于一些比较简单的装配图,可以直接利用AutoCAD的二维绘图及编辑命令,按照手工绘制装配图的绘图步骤将其绘制出来,与零件图的绘制方法一模一样。在绘制过程中,要充分利用“对象捕捉”及“正交”等绘图辅助工具以提高绘图的准确性,并通过对象追踪和构造线XLINE来保证视图之间的投影关系。这种绘制方法不适于绘制如上图所示的复杂的图形。因此,这种方法在绘制装配图时很少用到。
1.7.2 零件图块插入法
用零件图块插入法绘制装配图,就是将组成部件或机器的各个零件的图形先创建为图块,然后在按零件间的相对位置关系,将零件图块逐个插入,拼绘成装配图的一种方法。下面是用该方法绘制齿轮泵装配图的具体步骤。
1. 创建零件图块
(1) 绘制零件图
用前面学过的绘制零件图的方法绘制组成蜗轮减速器的各零件的零件图,如箱盖、蜗轮、蜗杆、透盖和盖零件图,分别为如下图(a)~(e)所示





在绘制零件图时,需要注意以下问题。
尺寸标注由于装配图中的尺寸标注要求与零件图不同,因此,如果只是为了拼绘装配图,则可以只绘制出图形,而不必标注尺寸;如果既要求绘制出装配图,又要求绘制出零件图,则可以先把完整的零件图绘制出并存盘,然后再将尺寸层关闭,进而创建用于拼绘装配图的图块示。
剖面线的绘制在装配图中,两相邻零件的剖面线方向应相反,或方向相同而间隔不等,因此,在将零件图图块拼绘为装配图后,剖面线必须符合国际标准中的这一规定。如果有的零件图块中剖面线的方向难以确定,则可以先不绘制出剖面线,待拼绘完装配图后,再按要求补绘出剖面线。
螺纹的绘制如果零件图中有内螺纹或外螺纹,则拼绘装配图时还要加入对螺纹连接部分的处理。由于国标对螺纹连接的规定画法与单个螺纹画法不同,表示螺纹大、小径的粗、细线均将发生变化,剖面线也要重绘。因此,为了绘图简便,零件图中的内螺纹及相关剖面线可暂不绘制,待拼绘成装配图后,在按螺纹连接的规定画法将其补画出来即可。
(2) 创建零件图块
将绘制完成的零件图,用创建块命令WBLOCK定义为图块,供以后拼绘装配图时调用。
2. 由零件图块拼绘装配图
(1) 使用样板
用户可通过以下几种方式来打开【选择样板】对话框:
选项面板:在【标准】面板中单击【新建】按钮
。
菜单浏览器:选择【文件】→【新建】命令。
命令行:输入NEW。
执行NEW命令后,打开【选择样板】对话框,如右图所示。从中选择前面建立的样板文件,如选择“Gb_a1–Named Plot Stules”,单击【确定】按钮,此时屏幕上将显示图框和标题栏。用户就可以在此基础上绘制图形了,绘制完后将图形以.dwg为扩展名保存图形。

新手注意:
在AutoCAD 2013提供的样板文件中,以Gb_ax(x为从0到4的数字)开头的样板文件为基本符合我国制图标准(其中包括图幅、标题栏、文字样式和尺寸标注样式的设置等)的样板文件,其中以Gb_a0、 Gb_a1、 Gb_a2、Gb_a3和Gb_a4开头的样板文件的图幅尺寸分别与0号、1号、2号、3号和4号图形的图幅相对应。
根据AutoCAD 2013提供的样板文件创建新图形文件后,AutoCAD 2013一般情况下要显示出布局(但选择样板文件acad.dwt或acadiso.dwt除外)。例如,用户以样板文件Gb_a1-Named Plot Styles创建新图形文件后,可以得到如图5-37所示的结果。通过绘图窗口的选项卡可以看出,下图所示的布局名称为“Gb A1标题栏”。AutoCAD 2013的布局主要用于打印图形时确定图形相对于图纸的位置,但在绘图过程中,还需要切换到模型空间,这时只需要单击用户界面左下角的【模型】选项卡。

新手注意:
用户也可以根据需要自己绘制样板,在绘制结束后以.dwt为扩展名存盘即可。打开【样板选择】对话框,就可找到自己绘制的样板。
(2) 创建图层
除了样板已创建的图层外,绘制装配图时一般还需要创建粗实线、细实线、中心线、虚线、尺寸标注和明细表等图层。
(3) 绘制明细栏,如下图所示。

(4) 插入块
用户可通过以下几种方式来打开【插入】对话框:
选项面板:在【插入】面板中单击【插入块】按钮
。
菜单浏览器:选择【插入】→【块(B)…】命令。
命令行:输入INSERT。
执行INSERT命令后,打开【插入】对话框,如图5-39所示,依次插入创建的零件图块。如果零件图块的比例与装配图的比例不同,则需要设定零件图块插入时的比例,以满足装配图的要求。

1.7.3 零件图形文件插入法
在AutoCAD中,可以将多个图形文件用插入块命令INSERT,直接插入到同一图形中,插入后的图形文件以块的形式存在于当前图形中。因此,可以用直接插入零件图形文件的方法来拼绘装配图,该方法与零件图块插入法极为相似,不同的是默认情况下的插入基点为零件图形的坐标原点(0,0),这样在拼绘装配图时就不便准确确定零件图形在装配图中的位置。
为保证图形插入时能准确、方便地放到正确的位置,在绘制完零件图形后,应首先用定义基点命令BASE设置插入基点,然后再保存文件,这样在用插入块命令INSERT将该图形文件插入时,就以定义的基点为插入点进行插入,从而完成装配图的拼绘。
1.8 拼画装配图
AutoCAD设计中心(AutoCAD Design Center,ADC)为用户提供了一个直观、高效和集成化的图形组织和管理的工具,它与Windows资源管理器类似。用户利用设计中心,不仅可以方便地浏览、查找、预览和管理AutoCAD图形、块、外部参照及光栅图像等不同的资源文件,而且可以通过简单的拖放操作,将位于本地计算机、局域网或因特网上的块、图层和外部参照等内容插入到当前图形中。
1.8.1 进入AutoCAD设计中心
用户可通过以下命令方式来进入AutoCAD设计中心:
选项面板:在【标准】面板中单击【设计中心】按钮
。
菜单浏览器:选择【工具】→【选项板】→【设计中心】命令。
命令行:ADCENTER输入。
执行ADCENTER命令后,可以打开“设计中心”窗口,如下图所示。 |
|
“设计中心”窗口包括4个选项卡:【文件夹】、【打开的图形】、【历史记录】和【联机设计中心】。这些选项卡中各自的功能选项如下。
1. 【文件夹】选项卡
【文件夹】选项卡用于在树状突切换窗口中显示本地及网络驱动器中的资源文件,共包括以下4个窗口。
树状突切换窗口:用树形目录显示本地和网络驱动器中的文件、文件夹及图形组件等内容。
项目列表窗口:用于查看打开图形和其他图形中的内容。
预览窗口:用于显示所选图形文件的预览图像。
说明窗口:用于显示所选图形文件的说明文字。
2. 【打开的图形】选项卡
【打开的图形】选项卡用于在树状视图窗口中显示当前AutoCAD的所有图形,同样包括4个窗口,意义同【文件夹】选项卡里的一样。
3. “历史记录”选项卡
【历史记录】选项卡用于在树状视图窗口中显示用户曾编辑过的图形,仅包括一个树状视图窗口。
1.8.2 利用AutoCAD设计中心打开图形文件
在AutoCAD设计中心中,双击图形文件只能打开下级目录树,如果要通过设计中心在绘图区打开图形文件,用鼠标右键单击在项目列表窗口中欲打开的图形文件,然后从弹出的快捷菜单中选择“在应用程序窗口中打开”命令,即可将所选图形文件在绘图区打开。
1.8.3 利用AutoCAD设计中心插入图形文件
利用AutoCAD设计中心,可以将已有图形文件,作为图块插入到当前图形中。只要单击在项目列表窗口中欲打开的图形文件,按住鼠标左键将其拖动到绘图区后松开,此时系统会出现提示信息,由于图形文件是作为图块插入到当前图形中的,因此,系统提示的内容与执行的插入图块命令相同。
1.8.4 利用AutoCAD设计中心插入图块
通过AutoCAD设计中心,可以直接插入其他图形文件中定义的图块,但一次只能插入一个图块。图块被插入到图形中后,如果原来的图块被修改,则插入到图形中的图块也随之改变。AutoCAD设计中心提供了以下两种插入图块的方法。
(1) 采用“默认比例和旋转角”方式插入图块,采用该方法插入图块的操作方法如下:
从项目列表窗口或【查找】对话框中选择要插入的图块,按住鼠标左键将其拖动到当前图形中,系统将比较图形和插入图块的单位,根据两者之间的比例对图块进行自动缩放。例如,插入图块的单位为mm,而当前图形的单位为cm,则系统自动将插入图块的单位转换为cm,然后将其插入到当前图形中。
(2) 采用“指定比例和旋转角”方式插入图块,采用该方法插入图块的操作方法如下:
从项目列表窗口或【查找】对话框中用鼠标右键选取要插入的图块,按住鼠标右键将其拖动到当前图形中后松开,从弹出的快捷菜单中选取【插入为块】命令,如下图所示。此时将打开【插入】对话框,后面的操作与插入图块相同。

1.8.6 利用AutoCAD设计中心拼绘装配图
打开“设计中心”窗口,在树状突切换窗口中选择需要插入的图形文件,用鼠标左键单击需要的图块并将其拖动到绘图区,便插入到绘图区。打开“对象捕捉”功能。用同样的方法,依次将其他零件图块插入到绘图区适当位置,即可完成装配图的拼绘。
1;所有标注为智造资料网zl.fbzzw.cn的内容均为本站所有,版权均属本站所有,若您需要引用、转载,必须注明来源及原文链接即可,如涉及大面积转载,请来信告知,获取《授权协议》。
2;本网站图片,文字之类版权申明,因为网站可以由注册用户自行上传图片或文字,本网站无法鉴别所上传图片或文字的知识版权,如果侵犯,请及时通知我们,本网站将在第一时间及时删除,相关侵权责任均由相应上传用户自行承担。
[complaint:内容投诉]
智造资料网打造智能制造3D图纸下载,在线视频,软件下载,在线问答综合平台 » AutoCAD绘制装配图的方法和步骤(图文教程)


