1、零件图概述
1.1零件图的作用
零件是组成机器或部件的基本单位。 零件图是用来表示零件结构形状、大小及技术要求的图样,是直接指导制造和检验零件的重要技术文件。 机器或部件中,除标准件外,其余零件,一般均应绘制零件图。


1.2 零件图的内容
1、一组视图: 用以完整、清晰地表达零件的结构和形状。

2、全部尺寸: 用以正确、完整、清晰、合理地表达零件各部分的大小和各部分之间的相对位置关系。

3、技术要求: 用以表示或说明零件在加工、检验过程中所需的要求。如尺寸公差、形状和位置公差、表面粗糙度、材料、热处理、硬度及其它要求。技术要求常用符号或文字来表示。

4、标题栏: 标准的标题栏由更改区、签字区、其他区、名称及代号区组成。一般填写零件的名称、材料标记、阶段标记、重量、比例、图样代号、单位名称以及设计、制图、审核、工艺、标准化、更改、批准等人员的签名和日期等内容。学校一般用校用简易标题栏,如图中所示。

2、零件图的选择
2.1主视图的选择
主视图是零件的视图中最重要的视图,选择零件图的主视图时,一般应从主视图的投射方向和零件的摆放位置两方面来考虑。
1. 选择主视图的投射方向
形体特征原则: 所选择的投射方向所得到的主视图应最能反映零件的形状特征 。
(a) (b) A 向好
2. 选择主视图的位置
当零件主视图的投射方向确定以后,还需确定主视图的位置。所谓主视图的位置,即是零件的摆放位置。一般分别从以下几个原则来考虑:
(1)工作位置原则 所选择的主视图的位置,应尽可能与零件在机械或部件中的工作位置相一致

(a) (b) A 向好
(2)加工位置原则 工作位置不易确定或按工作位置画图不方便的零件,主视图一般按零件在机械加工中所处的位置作为主视图的位置,方便工人加工时看图。
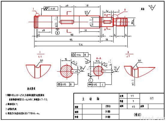
该零件的主要加工方法是车削,有些重要表面还要在磨床上进一步加工。为了便于工人对照图样进行加工,故按该轴在车床和磨床上加工时所处的位置(轴线侧垂放置)来绘制主视图。

(a)加工位置 (b)工作位置
(3)自然摆放稳定原则 如果零件为运动件,工作位置不固定,或零件的加工工序较多其加工位置多变,则可按其自然摆放平稳的位置作为画主视图的位置。
主视图的选择,应根据具体情况进行分析,从有利于看图出发,在满足形体特征原则的前提下,充分考虑零件的工作位置和加工位置。
2.2其他视图的选择
对于简单的轴、套、球类零件,一般只用一个视图,再加所注的尺寸,就能把其结构形状表达清楚。对于一些较复杂的零件,一个主视图是很难把整个零件的结构形状表达完全的。一般在选择好主视图后,还应选择适当数量的其它视图与之配合,才能将零件的结构形状表达清楚。一般应优先选用左、俯视图,然后再选用其它视图。
一个零件需要多少视图才能表达清楚,只能根据零件的具体情况分析确定。 考虑的一般原则是:在保证充分表达零件结构形状的前提下,尽可能使零件的视图数目为最少。应使每一个视图都有其表达的重点内容,具有独立存在的意义。
下图所示的支架,主视图确定后,为了表达中间部分的结构形状,选用左视图,并在主视图上作移出断面表示其断面形状。为了表达清楚底板的形状,补充了 B 向局部视图(也可画成 B 向完整视图)。

如果没有 B 向局部视图,仅以主、左两个视图是不能完全确定底板的形状的。因为底板如果做成下图所示的两种不同的形状,仍然符合主、左视图的投影关系

下图所示开关轴,除主视图外,还需用左视图、 A 向斜视图和移出断面图配合才能将整个零件表达清楚。少其中任何一个视图都不行。
在零件的视图选择时,应多考虑几种方案,加以比较后,力求用较好的方案表达零件。另外,通过多画、多看、多比较、多总结,不断实践,才能逐步提高表达能力。
3、常见零件的表达分析
常见的零件可以分成五种类型:轴套类、轮盘类、板盖类、叉架类和箱壳类。
3.1轴套类零件
这类零件包括各种轴、丝杆、套筒、衬套等。

轴套类零件大多数由位于同一轴线上数段直径不同的回转体组成,其轴向尺寸一般比径向尺寸大。这类零件上常有键槽、销孔、螺纹、退刀槽、越程槽、顶尖孔(中心孔)、油槽、倒角、圆角、锥度等结构。
3.2 表达方法
(1)轴套类零件一般主要在车床和磨床上加工,为便于操作人员对照图样进行加工,通常: 选择垂直于轴线的方向作为主视图的投射方向。按加工位置原则选择主视图的位置,即将轴类零件的轴线侧垂放置。

(2)一般只用一个完整的基本视图(即主视图)即可把轴套上各回转体的相对位置和主要形状表示清楚,如图( a )、( b )所示。

( 3 )常用局部视图、局部剖视、断面、局部放大图等补充表达主视图中尚未表达清楚的部分,如下图所示。

( 4 )对于形状简单而轴向尺寸较长的部分常断开后缩短绘制。
( 5 )空心套类零件中由于多存在内部结构,一般采用全剖、半剖或局部剖绘制。如下图所示。

3.2轮盘类零件
这类零件包括齿轮、手轮、皮带轮、飞轮、法兰盘、端盖等。
1、结构特点
轮盘类零件的主体一般也为回转体,与轴套零件不同的是,轮盘类零件轴向尺寸小而径向尺寸较大。这类零件上常有退刀槽、凸台、凹坑、倒角、圆角、轮齿、轮辐、筋板、螺孔、键槽和作为定位或连接用孔等结构。
2、表达方法
由于轮盘类零件的多数表面也是在车床上加工的,为方便工人对照看图,主视图往往也按加工位置摆放。
( 1 )选择垂直于轴线的方向作为主视图的投射方向。主视图轴线侧垂放置。
( 2 )若有内部结构,主视图常采用半剖或全剖视图或局部剖表达。
( 3 )一般还需左视图或右视图表达轮盘上连接孔或轮辐、筋板等的数目和分布情况。
( 4 )还未表达清楚的局部结构,常用局部视图、局部剖视图、断面图和局部放大图等补充表达。
下图是车床上的手轮,选择主、左两个基本视图,并用一个移出断面和一个局部放大图补充表达轮辐的断面形状和轮辐与轮缘的连接情况。

3.3盖板类零件
这类零件包括各种垫板、固定板、滑板、连接板、工作台、箱盖等。
1、结构特点 板盖类零件的基本形状是高度方向尺寸较小的柱体,其上常有凹坑、凸台、销孔、螺纹孔、螺栓过孔和成形孔等结构。此类零件常由铸造后,经过必要的切削加工而成。
2、表达方法
( 1 )板盖类零件一般选择垂直于较大的一个平面的方向作为主视图的投射方向。零件一般水平放置(即按自然平稳原则放置)。
( 2 )主视图常用阶梯剖或复合剖的方法画成全剖视图。
( 3 )除主视图外,常用俯视图或仰视图表示其上的结构分布情况。
( 4 )未表示清楚的部分,常用局部视图、局部剖视来补充表达。

下图所示为箱体盖板,主视图采用复合剖切方法画成了全剖视图。

3.4叉架类零件
这类零件包括各种拔叉、连杆、摇杆、支架、支座等。

1.结构特点
叉架类零件结构形状大都比较复杂,且相同的结构不多。这类零件多数由铸造或模锻制成毛坯后,经必要的机械加工而成。这类零件上的结构,一般可分为工作部分和联系部分。工作部分指该零件与其他零件配合或连接的套筒、叉口、支承板、底板等。联系部分指将该零件各工作部分连系起来的薄板、筋板、杆体等。零件上常具有铸造或锻造圆角、拔模斜度、凸台、凹坑或螺栓过孔、销孔等结构。
2.表达方法
这类零件工作位置有的固定,有的不固定,加工位置变化也较大,一般采用下列表达方法:
( 1 )按最能反映零件形状特征的方向作为主视图的投射方向。按自然摆放位置或便于画图的位置作为零件的摆放位置。
( 2 )除主视图外,一般还需 1 ~ 2 个基本视图才能将零件的主要结构表达清楚。
( 3 )常用局部视图或局部剖视图表达零件上的凹坑、凸台等结构。
( 4 )筋板、杆体等连接结构常用断面图表示其断面形状。
( 5 )一般用斜视图表达零件上的倾斜结构。
下图所示是铣床上的拔叉,用来拔动变速齿轮。主视图和左视图表达了拔叉的工作部分(上部叉口和下部套筒)和联系部分(中部薄板和筋板)的结构和形状以及相互位置关系,另外只用了一个局部移出断面图表达筋板的断面形状。

下图所示是滚动轴承座,用以安装滚动轴承支承轴类旋转零件。主视图表达了轴承座的形体特征,配合以阶梯剖的左视图,表达了套筒、支承板和底板的结构形状及各部分的相互关系。俯视图取 B-B 剖视,既表达了底板的形状,又把支承板的断面形状表达清楚了。顶部凸台的结构形状用 C 向局部视图表达。三角形筋板的断面形状由局部移出断面表达。
3.5箱壳类零件
这类零件包括箱体、外壳、座体等。

1、结构特点
箱壳类零件是机器或部件上的主体零件之一,其结构形状往往比较复杂。
2、表达方法
( 1 )通常以最能反映其形状特征及结构间相对位置的一面作为主视图的投射方向。以自然安放位置或工作位置作为主视图的摆放位置(即零件的摆放位置)。
( 2 )一般需要两个或两个以上的基本视图才能将其主要结构形状表示清楚。
( 3 )一般要根据具体零件选择合适的视图、剖视图、断面图来表达其复杂的内外结构。
( 4 )往往还需局部视图或局部剖视或局部放大图来表达尚未表达清楚的局部结构。
下图所示是蜗轮减速箱箱体的视图。图中的主视图,既符合形体特征原则,也符合工作位置原则和自然安放平稳原则。
主视图符合半剖视的条件,采用了半剖视,既表达了箱体的内部结构形状,又表达了箱体的外部结构形状。
左视图采用全剖视,用以配合主视图,着重表达箱体内腔的结构形状,同时表达了蜗轮的轴承孔、润滑油孔、放油螺孔、后方的加强筋板形状等。
C 向视图,表达出底板的整体形状、底板上凹坑的形状及安装螺栓的过孔情况。
B 向局部视图,表达出蜗轮轴承孔下方筋板的位置和结构形状。
D 向局部视图,表达了蜗杆轴承孔端面螺孔的分布情况及底板上方左右端圆弧凹槽的情况。左视图旁边的局部移出断面表达了筋板的断面形状。

归纳为上述五类的零件,如薄壁冲压件、塑料注塑件、各种垫片,金属与非金属镶嵌件等零件的视图表达,视零件的复杂程度而定。注塑零件及镶嵌零件的非金属材料,在剖视图上应注意运用其剖面符号与金属材料相区别。
4 、零件图的尺寸标注
零件的视图只用来表示零件的结构形状,其各组成部分的大小和相对位置,是根据视图上所标注的尺寸数值来确定的。
4.1对零件图上标注尺寸的要求
零件图上的尺寸是加工和检验零件的重要依据,是零件图的重要内容之一,是图样中指令性最强的部分。
在零件图上标注尺寸,必须做到: 正确、完整、清晰、合理。
前三项要求,组合体的尺寸标注中已经进行过较详细的讨论。这里着重讨论尺寸标注的合理性问题和常见结构的尺寸注法,并进一步说明清晰标注尺寸的注意事项。
4.2合理标注尺寸的初步知识
标注尺寸的合理性,就是要求图样上所标注的尺寸既要符合零件的设计要求,又要符合生产实际,便于加工和测量,并有利于装配。 这里只介绍一些合理标注尺寸的初步知识。
1、合理选择尺寸基准
标注尺寸的起点,称为尺寸基准(简称基准)。
零件上的面、线、点,均可作为尺寸基准,如下图所示。

1 )尺寸基准的种类 从设计和工艺不同角度可把基准分成设计基准和工艺基准两类。
1)设计基准 从设计角度考虑,为满足零件在机器或部件中对其结构、性能的特定要求而选定的一些基准,称为设计基准。
任何一个零件都有长、宽、高三个方向的尺寸,也应有三个方向的尺寸基准。
下图所示的轴承座,从设计的角度来研究,通常一根轴需有两个轴承来支承,两个轴承孔的轴线应处于同一轴线上,且一般应与基面平行,也就是要保证两个轴承座的轴承孔的轴线距底面等高。因此,在标注轴承支承孔φ 160 高度方向的定位尺寸时,应以轴承座的底面 B 为基准。为了保证底板两个螺栓过孔对于轴承孔的对称关系,在标注两孔长度方向的定位尺寸时,应以轴承座的对称平面 C 为基准。 D 面是轴承座宽度方向的定位面,是宽度方向的设计基准。底面 B 、对称面 C 和 D 面就是该轴承座的设计基准。

2 )工艺基准 从加工工艺的角度考虑,为便于零件的加工、测量和装配而选定的一些基准,称为工艺基准。
下图所示的小轴,在车床上车削外圆时,车刀的最终位置是以小轴的右端面 F 为基准来定位的,这样工人加工时测量方便,所以在标注尺寸时,轴向以端面 F 为其工艺基准。
下图所示法兰盘,在车床上加工时是以法盘左端面 E 为定位面的,故端面 E 是该法兰盘的轴向工艺基准。

测量键槽深度时(见上图)是以孔φ 40 的素线 L 为依据的,因此素线 L (见上图)是该法兰盘键槽深度尺寸的工艺基准。

3 )尺寸基准的选择 从设计基准标注尺寸时,可以满足设计要求,能保证零件的功能要求,而从工艺基准标注尺寸,则便于加工和测量。实际上有不少尺寸,从设计基准标注与工艺要求并无矛盾,即有些基准既是设计基准也是工艺基准。在考虑选择零件的尺寸基准时,应尽量使设计基准与工艺基准重合,以减少尺寸误差,保证产品质量。
为了满足设计和制造要求,零件上某一方向的尺寸,往往不能都从一个基准注出。如下图轴承座高度方向的尺寸,主要以底面 B 为基准注出,而顶部的螺孔深度尺寸 6 ,为了加工和测量方便,则是以顶面 E 为基准标注的。可见零件的某个方向可能会出现两个或两个以上的基准。在同方向的多个基准中,一般只有一个是主要基准,其它为辅助基准。辅助基准与主要基准之间应有联系尺寸,下图中 58 就是 E 与 B 的联系尺寸。

2、重要尺寸必须从设计基准直接注出
零件上凡是影响产品性能、工作精度和互换性的尺寸都是重要尺寸。为保证产品质量,重要尺寸必须从设计基准直接注出。如下图所示轴承座,轴承支承孔的中心高是高度方向的重要尺寸,应按图 (a) 所示那样从设计基准(轴承座底面)直接注出尺寸 A ,而不能象图 (b) 那样注成尺寸 B 和尺寸 C 。因为在制造过程中,任何一个尺寸都不可能加工得绝对准确,总是有误差的。如果按图 (b) 那样标注尺寸,则中心高 A 将受到尺寸 B 和尺寸 C 的加工误差的影响,若最后误差太大,则不能满足设计要求。同理,轴承座上的两个安装过孔的中心距L 应按图 (a) 那样直接注出。如按图 (b) 所示分别标注尺寸 E ,则中心距 L 将常受到尺寸 90 和两个尺寸 E 的制造误差的影响。

3、避免注成封闭尺寸链
一组首尾相连的链状尺寸称为尺寸链,如下图中 A 、 B 、 C 、 D 尺寸就组成一个尺寸链。组成尺寸链的每一个尺寸称为尺寸链的环。如果尺寸链中所有各环都注上尺寸,如下图所示,这样的尺寸链称封闭尺寸链。

从加工的角度来看,在一个尺寸链中,总有一个尺寸是其它尺寸都加工完后自然得到的。例如上图中加工完尺寸 A 、 B 和 D 后,尺寸 C 就自然得到了。这个自然得到的尺寸称为尺寸链的封闭环。

在标注尺寸时,应避免注成封闭尺寸链。通常是将尺寸链中最不重要的那个尺寸作为封闭环,不注写尺寸,如下图所示。这样,使该尺寸链中其他尺寸的制造误差都集中到这个封闭环上来,从而保证主要尺寸的精度。

在零件图上,有时为了使工人在加工时不必计算而直接给出毛坯或零件轮廓大小的参考值,常以“参考尺寸”的形式注出,如下图中的“( 50 )”。

4、适当考虑从工艺基准标注尺寸
零件上除主要尺寸应从设计基准直接注出外,其它尺寸则应适当考虑按加工顺序从工艺基准标注尺寸,以便于工人看图、加工和测量,减少差错。
下图所示传动轴在轴线方向,尺寸 32
是重要尺寸,应从设计基准(轴肩右端面)直接标注。因为要求该尺寸比齿轮宽度尺寸 32
要略小一点,才能保证弹簧挡圈能轴向压紧齿轮。其它轴向尺寸在结构上没有多大特殊要求,所以按加工顺序从工艺基准标注尺寸。
下表中列出了该轴的机械加工顺序。表中第 2 、 3 、 4 和 6 工序的轴向尺寸都是以轴的两个端面为基准标注的,符合车工加工工艺要求,这与上图中的尺寸注法是完全一致的。
表 传动轴的加工过程
序号 | 说 明 | 工 程 简 图 | 序号 | 说 明 | 工 程 简 图 | |
1 |
下料: |
| 5 |
切槽 |
| |
偏 |
|
| ||||
打 |
| |||||
2 |
中心孔定位: |
| 6 |
调头: |
| |
| ||||||
3 |
车φ20 |
| 7 |
切槽 |
| |
4 |
车φ17 |
| 8 |
淬火后磨外圆:φ17 |
| |
| ||||||
1;所有标注为智造资料网zl.fbzzw.cn的内容均为本站所有,版权均属本站所有,若您需要引用、转载,必须注明来源及原文链接即可,如涉及大面积转载,请来信告知,获取《授权协议》。
2;本网站图片,文字之类版权申明,因为网站可以由注册用户自行上传图片或文字,本网站无法鉴别所上传图片或文字的知识版权,如果侵犯,请及时通知我们,本网站将在第一时间及时删除,相关侵权责任均由相应上传用户自行承担。
[complaint:内容投诉]
智造资料网打造智能制造3D图纸下载,在线视频,软件下载,在线问答综合平台 » 零件图的画法(图文教程)









