4.3 组合体的尺寸标注
投影图只能表达组合体的结构形状,而各形体的真实大小及其相互位置,则要由尺寸来确定。组合体尺寸标注的基本要求是正确、完整、清晰。即所标注的尺寸数量齐全,无遗漏,也不重复;尺寸注写方法正确,符合国家标准的有关规定,且配置合理。
4.3.1 完整地标注尺寸
为了使尺寸标注完整,首先需对组合体进行形体分析,在熟悉基本体尺寸标注、带切口基本体尺寸标注的基础上,注全各组成部分的定形尺寸、定位尺寸和组合体的总体尺寸。

图4-10组合体尺寸标注
如图4-10所示组合体,底板长46、宽28、高8,底板的左、右半圆形槽宽10及圆台上、下底面圆的外径尺寸φ16、φ24,内孔直径φ12等均为定形尺寸;底板的半圆形槽轴线之间的距离36为定位尺寸,尺寸46、28和21分别为组合体长、宽、高三个方向的总体尺寸。
标注定位尺寸时,在组合体长、宽、高三个方向至少要分别选择一个尺寸基准。
所谓尺寸基准,就是标注和度量尺寸的起点。选择尺寸基准必须既体现组合体的组合特点,又方便制造和测量。因此,在组合体中通常以对称面、底面、端面或主要的轴心线等作为尺寸基准。
4.3.2 清晰地标注尺寸
为了使尺寸标注清晰,除了必须遵守国家标准的有关规定外,还要考虑尺寸的布局,标注尺寸应注意以下几点:
(1) 同一形体的定形尺寸和定位尺寸,应尽量集中标注在反映该部分形状特征最明显的投影图上(图4-11)。
(2) 圆柱、圆锥等回转体的直径尺寸,应尽量标注在反映其轴线的投影图上。圆弧半径尺寸必须注在反映圆弧实形的投影图上。
(3) 尽量避免在虚线上标注尺寸。
(4) 应尽量把尺寸标注在投影图的外边,与两投影有关的尺寸宜注在两投影图之间。
(5) 尺寸线与轮廓线或尺寸线之间的距离,一般取5~7 mm,间距最好一致,且排列整齐,同一方向首尾相接的尺寸,应尽量配置在同一直线上。而同一方向有数个并列的平行尺寸时,较小尺寸应靠近图形,较大的依次向外排列。尽量避免尺寸线和尺寸线或尺寸界线相交。
(6) 直径相同,并在同一平面上均匀分布的孔组,只须标注一个孔的尺寸,再在直径符号“”前注明孔数(图4-11中尺寸2×15)。在同一平面上若干半径相同的圆角,不应在半径符号“R”前加注相同半径的个数。
4.3.3 组合体尺寸标注的方法和步骤
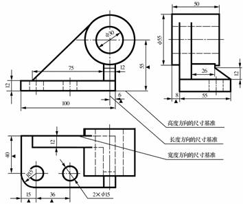
下面以支架为例进行尺寸标注(见图4-11)。其方法和步骤是:
(1) 进行形体分析分析各组成部分(底板、圆筒、两块支承板)的形状和相对位置。
(2) 选择尺寸基准选用圆筒的回转轴线作为长度方向的尺寸基准,底板的后端面作为宽度方向的尺寸基准,底板的下底面为高度方向的尺寸基准。

图4-11支座的尺寸标注
(3) 标注定形尺寸定形尺寸是用以确定各组成部分的形状大小的尺寸,如底板的尺寸100、55、12等,图中所有不带“▲”的尺寸便是定形尺寸。
(4)标注定位尺寸定位尺寸是用以确定各组成部分的相对位置的尺寸,如圆筒由尺寸55、8和6定位,底板上两个15的小孔由尺寸15、36和40定位等,图中带“▲”者均为定位尺寸。
(5)调整总体尺寸由于采用形体分析法标注尺寸,标注总体尺寸时可能产生尺寸多余或矛盾,因此,必须进行调整。如在图4-10中,注底板的高度、圆台的高度,再注总高时,必须调整为只标注总高和底板的高度。图4-11中,由于支架的总长等于底板的长度100减去圆筒长度方向的定位尺寸6,再加上圆筒直径55的一半;总宽等于底板的宽度55加上圆筒宽度方向的定位尺寸8;总高等于支架的中心高55加上圆筒直径55的一半。因此,该支架不必再另行标注总体尺寸了。
1;所有标注为智造资料网zl.fbzzw.cn的内容均为本站所有,版权均属本站所有,若您需要引用、转载,必须注明来源及原文链接即可,如涉及大面积转载,请来信告知,获取《授权协议》。
2;本网站图片,文字之类版权申明,因为网站可以由注册用户自行上传图片或文字,本网站无法鉴别所上传图片或文字的知识版权,如果侵犯,请及时通知我们,本网站将在第一时间及时删除,相关侵权责任均由相应上传用户自行承担。
[complaint:内容投诉]
智造资料网打造智能制造3D图纸下载,在线视频,软件下载,在线问答综合平台 » 机械制图教程-(4.3)组合体的尺寸标注(图文教程)

