塑胶模具设计中扣机的结构及应用方法

扣机的作用:在二次分型、二次顶出及前模顶出等结构中,经常要运用到扣机组件来控制各模板开模顺序及开模行程。

塑胶模具设计中扣机的结构及应用方法,模具设计,塑胶,结构,第1张

扣机的作用类似,但又分为多种结构,根据扣机自身的特点,在不同场合合理选用扣机是必要的,下面我们讲解几种常用的扣机结构。

一、大同扣机

1、优点:大同扣机结构简单,紧凑,对模胚的加工量不大,可随意加装于模具上,安装占用空间小,从而减少与模胚上其他部件发生干涉的机会,大同扣机控制开模行程的方法比较灵活,可通过在模胚上加装限位挡块来实现,另外价格比较便宜。

2、缺点:大同扣机靠弹弓压住钢珠与控制杆嵌合实现锁合,因而扣紧力不易控制,有出现还未到所需行程便脱钩的现象发生,可靠性不太高,而且也不易调节。

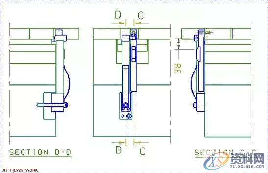
3、适用场合:此类扣机用于中小型模具,所需扣紧力不大,对可靠性要求不很高的场合。因可靠性不高,一般不采用这种形式。如图一用于顶针板二次顶出。

塑胶模具设计中扣机的结构及应用方法,模具设计,塑胶,结构,第2张

注意事项:大同扣机靠弹弓压住钢珠与控制杆嵌合实现锁合,因而扣紧力不易控制,仅适合于扣紧力要求不大的中小型模具。

二、 HASCO扣机:

1、优点:HASCO扣机规格较多,可选用范围广;机械式锁合,锁紧安全可靠,安装方便,且对模胚加工量不大,控制杆和拉钩长度可根据实际状况调整,价格适中。

2、缺点:安装用销钉孔及螺丝孔位置确定后需再加工,设计确定开模行程后不易更改且开模行程范围受控制杆长度的限制。

3、适用场合:机械式锁合,锁紧安全可靠适用于大中小各类模具。

塑胶模具设计中扣机的结构及应用方法,模具设计,塑胶,结构,第3张

注意事项:设计确定开模行程,销钉孔及螺丝孔位置加工后控制行程不易再更改且开模行程范围受控制杆长度的限制。

海量N95口罩机、自动化结构设计、UG汽车模具设计、2D3D五金汽车模具设计、UG塑胶模具设计、PROE产品设计、CNC编程、CNC电脑锣操作、精雕浮雕、PRESSCAD软件应用、UG软件应用、UG数控编程、Mastercam数控编程、Powermill数控编程、SOLIDWORKS软件、SOLIDWORKS培训、ZBRUSH雕刻,ZBRUSH雕刻3D建模、UG模具设计、模流分析moldfolw、五轴编程培训、AutoformR7等图档、软件资料免费下载网址:https://zl.xs1616.com/?fromuid=2

免费教学视频网址:https://www.xs1616.com/

李老师电话:13018639977(微信同号)QQ:2033825601

三、STRACK扣机:

1、优点:机械式锁合, 锁紧安全可靠;改变控制杆与拉钩之间的相对位置可满足大行程范围的要求,安装后开模行程仍可通过移动控制杆上的调节块调节。

2、缺点: 占据空间大,安装复杂,模胚加工量较大,价格较昂贵。

3、适用场合:适用于较大模, 可满足所需开模行程较大的情况,由于价格较昂贵,除非客户特别要求,一般不以采用。

塑胶模具设计中扣机的结构及应用方法,模具设计,塑胶,结构,第4张

注意事项:安装后开模行程仍可通过移动控制杆上的调节块调节。

四、RABOURDIN扣机:

1、优点:机械式锁合,扣紧力大,安全可靠,最大的优点是安装后开模行程可由调节块调节,可满足大行程范围的要求。

2、缺点:占据空间大,模胚加工量大,安装复杂,价格较昂贵。

3、适用场合:适用于较大模,所需开模行程较大的情况下,由于价格较昂贵,除非客户特别要求,一般不采用。

塑胶模具设计中扣机的结构及应用方法,模具设计,塑胶,结构,第5张

注意事项:安装后开模行程仍可通过移动控制杆上的调节块调节。

免责声明:
1;所有标注为智造资料网zl.fbzzw.cn的内容均为本站所有,版权均属本站所有,若您需要引用、转载,必须注明来源及原文链接即可,如涉及大面积转载,请来信告知,获取《授权协议》。
2;本网站图片,文字之类版权申明,因为网站可以由注册用户自行上传图片或文字,本网站无法鉴别所上传图片或文字的知识版权,如果侵犯,请及时通知我们,本网站将在第一时间及时删除,相关侵权责任均由相应上传用户自行承担。
[complaint:内容投诉]
智造资料网打造智能制造3D图纸下载,在线视频,软件下载,在线问答综合平台 » 塑胶模具设计中扣机的结构及应用方法