第8章PLC与气压控制
一. 基础气压
1. 气压系统基本架构

空 压 机 干 燥 机 储 气 槽
三点组合
压源 气 压 缸
方 向 阀
2. 气压源:工作压力 4~7 bar ( 1 Kg / cm2 = 0.981 bar)
3. 三点组合(调理组):调压、滤水、润滑
4. 气压缸:单动缸、双动缸
5. 方向阀:
(1)口与位的观念

一个方块代表一个作动位置

方块内的箭头表示气流的方向
( T代表不通的口 )

一个作动位置中进气与出气口的总和为口数
例题:

3口2位 ( 3/2 阀 )





(2)作动与复归方式

按钮作动 手炳作动 踏板作动 辊轮作动

气压作动 电磁作动 电磁导引气压作动

弹簧复归 气压复归 电磁复归 电磁导引气压复归
例题:
3口2位 按钮作动 弹簧复归 的方向阀




6. 基本气压回路




二. 以PLC控制气压系统
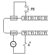
例题1-1 : A为单动缸,以单边电磁阀控制
当按钮开关PB ON,则气压缸前进A+
当按钮开关PB OFF,则气压缸后退A-



输入:PB=X0
输出:A+=Y0


LD X0 OUT Y0 END |

※ 按钮开关PB可以用训练器上方的仿真开关代替
例题1-2 : A为单动缸,以单边电磁阀控制
当按钮开关PB1 ON,则气压缸前进A+,
此时放开PB1(PB1 OFF)气压缸仍保持在前位状态(自保)
当按钮开关PB2 ON,则气压缸后退A-



输入:PB1=X1
PB2=X2
输出:A+=Y0


LD X1 OR M0 ANI X2 OUT M0 LD M0 OUT Y0 END |
※ 想想看,这个程序可以再简化!
例题1-3 : A为单动缸,以单边电磁阀控制,加上节流阀调整气缸运动速度
当按一下PB(Pulse),则气压缸慢慢前进A+
一直到气压缸触碰到前顶点a1,则气压缸慢慢后退A-


输入:PB=X0
a1=X1
输出:A+=Y0
LD X0 OR Y0 ANI X1 OUT Y0 END |

练习 : A为单动缸,以单边电磁阀控制,加上节流阀调整气缸运动速度
当按一下PB(Pulse),则气压缸慢慢前进A+
当气压缸触碰到前顶点a1,气压缸静止不动
3秒钟后,气压缸慢慢后退A-

练习: A为单动缸,以单边电磁阀控制,加上节流阀调整气缸运动速度
当按一下PB(Pulse),则气压缸A来回往复运动
A+ A- A+ A- A+ A-……………….

例题2-1: A为双动缸,以单边电磁阀控制
当按钮开关PB ON,则气压缸前进A+
当按钮开关PB OFF,则气压缸后退A-



输入:PB=X0
输出:A+=Y0
LD X0 OUT Y0 END |

例题2-2: A为双动缸,以双边电磁阀控制
当按钮开关PB1 ON(Pulse),则气压缸前进A+
当按钮开关PB2 ON(Pulse),则气压缸后退A-


输入:PB1=X1
PB2=X2
输出:A+=Y1
A-=Y2


LD X1 OUT Y1 LD X2 OUT Y2 END |
例题2-3: A为双动缸,以双边电磁阀控制,加上节流阀调整气缸运动速度
当按一下PB(Pulse),则气压缸慢慢前进A+
当气压缸触碰到前顶点a1,则气压缸慢慢后退A-


输入:PB=X1
a1=X2
输出:A+=Y1
A-=Y2


LD X1 OUT Y1 LD X2 OUT Y2 END |
练习: A为双动缸,以双边电磁阀控制,加上节流阀调整气缸运动速度
当按一下PB1(Pulse),则气压缸A来回往复运动
A+ A- A+ A- ……………….
当按一下PB2(Pulse),则气压缸停止运动

练习:A为双动缸,以双边电磁阀控制,加上节流阀调整气缸运动速度
当按一下PB1(Pulse),则气压缸A来回往复运动5回后自动停止
A+ A- A+ A- A+ A- A+ A- A+ A-

例题3-1: A、B皆为单动缸,分别以单边电磁阀控制
动作顺序如图
PB ON (Pulse) ,则系统激活
一次循环后自动停止



输入:PB=X0
a1=X1
b1=X2
输出:A+=Y1
B+=Y2



例题3-2: A、B皆为双动缸,分别以双边电磁阀控制
动作顺序如图
PB ON (Pulse) ,则系统激活
一次循环后自动停止

输入:PB=X0
a1=X1
b1=X2
输出:A+=Y0
A-=Y1
B+=Y2
B-=Y3



练习: A、B皆为双动缸,分别以双边电磁阀控制
动作顺序如图
PB ON (Pulse) ,则系统激活
一次循环后自动停止

练习: A、B皆为双动缸,分别以双边电磁阀控制
动作顺序如图
PB ON (Pulse) ,则系统激活
一次循环后自动停止

练习: A、B皆为单动缸,分别以单边电磁阀控制
动作顺序如图(循环动作)
PB1 ON (Pulse) ,则系统激活
PB2 ON (Pulse) ,则系统停止

练习: A、B皆为双动缸,分别以双边电磁阀控制
动作顺序如图(循环动作)
PB1 ON (Pulse) ,则系统激活
PB2 ON (Pulse) ,则系统停止

三. PLC与气压过程控制
(一)单一流程
例题4-1 : A为双动缸,由双边电磁阀控制,当按下激活开关
START,则气压缸前进,当气压缸到达前顶点,则气压缸
后退,当气压缸到达后顶点时,则系统停止,并等待下一
个激活命令。



I/O规划如下:
X0=START
X1=前极限 Y1=A+
X2=后极限 Y2=A-

例题4-2 : A、B皆为双动缸,分别以双边电磁阀控制
动作顺序如图
PB ON (Pulse) ,则系统激活
一次循环后自动停止


I/O 规划如下
输入:PB=X0
a1=X1
a0=X2
b1=X3
b0=X4
输出:A+=Y0
A-=Y1
B+=Y2
B-=Y3

练习: A、B皆为双动缸,分别以双边电磁阀控制
动作顺序如图
PB ON (Pulse) ,则系统激活
一次循环后自动停止

练习: A、B皆为双动缸,分别以双边电磁阀控制
动作顺序如图
PB ON (Pulse) ,则系统激活
一次循环后自动停止
练习: A、B皆为双动缸,分别以双边电磁阀控制
动作顺序如图
PB ON (Pulse) ,则系统激活
一次循环后自动停止

练习: A、B皆为双动缸,分别以双边电磁阀控制
动作顺序如图(循环动作)
PB1 ON (Pulse) ,则系统激活
PB2 ON (Pulse) ,则系统停止

练习: A为双动缸,以双边电磁阀控制,加上节流阀调整气缸运动速度
当按一下PB1(Pulse),则气压缸A来回往复运动
A+ A- A+ A- ……………….
当按一下PB2(Pulse),则气压缸停止运动

练习:A为双动缸,以双边电磁阀控制,加上节流阀调整气缸运动速度
当按一下PB1(Pulse),则气压缸A来回往复运动5回后自动停止
A+ A- A+ A- A+ A- A+ A- A+ A-

练习:ETTC-1是一台气压控制的简易型机械臂,共有五个轴:
轴向名称 | X轴 | Y轴 | Z轴 | 旋转轴 | 夹爪 |
电磁阀 | 单边 (ON向右) | 单边 (ON向前) | 单边 (ON向下) | 单边 (ON顺时) | 单边 (ON打开) |
极限点 | 左右 | 前后 | 上下 | 顺逆 | 无 |
请依动作要求设计顺序控制电路,并实际驱动之
(1) 归回原位(所有电磁阀OFF的位置)
(2) 设定X轴向之左右极限点为A及B,并在A点放置一工件
(3) 驱动ETTC-1 将工件自A点移至B点
(4) 归回原位
(二)选择性分歧
例题4-3:A、B皆为双动缸,分别以双边电磁阀控制
动作顺序如图,当PB1ON时,A气压缸来回运动一次, 当PB2ON时,B气压缸来回运动一次

I/O 规划如下
输入:PB1=X0
PB2=X1
a1=X2
a0=X3
b1=X4
b0=X5
输出:A+=Y0
A-=Y1
B+=Y2
B-=Y3

练习:利用ETTC-1设计下列程序:
当X0 ON且X1 OFF,则ETTC-1将工件自A点移至B点
当X1 ON且X0 OFF,则ETTC-1将工件自B点移至A点
(三)并进式分歧
例题4-4: A、B皆为双动缸,分别以双边电磁阀控制
动作顺序如图,当PB ON时,A气压缸来回运动一次
同时,B气压缸来回运动一次

I/O 规划如下
输入:PB=X0
a1=X2
a0=X3
b1=X4
b0=X5
输出:A+=Y0
A-=Y1
B+=Y2
B-=Y3

1;所有标注为智造资料网zl.fbzzw.cn的内容均为本站所有,版权均属本站所有,若您需要引用、转载,必须注明来源及原文链接即可,如涉及大面积转载,请来信告知,获取《授权协议》。
2;本网站图片,文字之类版权申明,因为网站可以由注册用户自行上传图片或文字,本网站无法鉴别所上传图片或文字的知识版权,如果侵犯,请及时通知我们,本网站将在第一时间及时删除,相关侵权责任均由相应上传用户自行承担。
[complaint:内容投诉]
智造资料网打造智能制造3D图纸下载,在线视频,软件下载,在线问答综合平台 » 气动技术_8、PLC与气压控制(图文教程)

