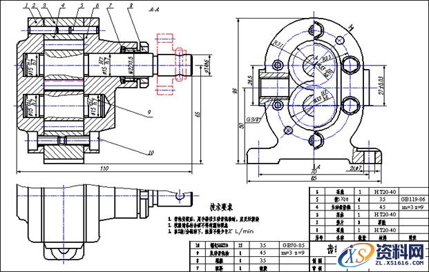
齿轮泵的概念是很简单的,它的最基本形式就是两个尺寸相同的齿轮在一个紧密配合的壳体内相互啮合旋转,这个壳体的内部类似“8”字形,两个齿轮装在里面,齿轮的外径及两侧与壳体紧密配合。来自于挤出机的物料在吸入口进入两个齿轮中间,并充满这一空间,随着齿的旋转沿壳体运动,最后在两齿啮合时排出。
该齿轮泵有两条装配线,一条是传动装配线,一条是从动装配线。装配线上是一对啮合齿轮,为标准直齿圆柱齿轮,其齿根圆直径与轴径相差较小,因此和轴均做成一体,叫齿轮轴。泵体与泵盖间采用毛毡纸垫密封,两零件之间采用两销钉定位,以便安装。该齿轮泵共有零件12种,其中标准件4种,非标准件8种。
立式齿轮泵装配图:

立式齿轮泵工作原理:
齿轮泵是机器润滑、供油(或其它液体)系统中的一个部件。其体积小,要求传动平稳,保证供油,不能有渗漏。齿轮泵是通过装在泵体内的一对啮合齿轮的转动,将油(或其它液体)从进口吸入,由出口排出。


免责声明:
1;所有标注为智造资料网zl.fbzzw.cn的内容均为本站所有,版权均属本站所有,若您需要引用、转载,必须注明来源及原文链接即可,如涉及大面积转载,请来信告知,获取《授权协议》。
2;本网站图片,文字之类版权申明,因为网站可以由注册用户自行上传图片或文字,本网站无法鉴别所上传图片或文字的知识版权,如果侵犯,请及时通知我们,本网站将在第一时间及时删除,相关侵权责任均由相应上传用户自行承担。
[complaint:内容投诉]
智造资料网打造智能制造3D图纸下载,在线视频,软件下载,在线问答综合平台 » 典型机械零部件制图实例-立式齿轮泵
1;所有标注为智造资料网zl.fbzzw.cn的内容均为本站所有,版权均属本站所有,若您需要引用、转载,必须注明来源及原文链接即可,如涉及大面积转载,请来信告知,获取《授权协议》。
2;本网站图片,文字之类版权申明,因为网站可以由注册用户自行上传图片或文字,本网站无法鉴别所上传图片或文字的知识版权,如果侵犯,请及时通知我们,本网站将在第一时间及时删除,相关侵权责任均由相应上传用户自行承担。
[complaint:内容投诉]
智造资料网打造智能制造3D图纸下载,在线视频,软件下载,在线问答综合平台 » 典型机械零部件制图实例-立式齿轮泵

