使用proe做一个凸轮机构
本文介绍用proe做机构的方法。
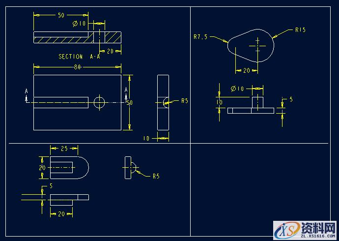
做一个最简单的凸轮机构需要三个实体(如图一)。
凸轮cam、滑块block,承载板base。
开始制作:
1、设置工作目录。
2、新建一个asm组合件。
3、安装基板base:Component-Assemble-从弹出的对话框中选择base.prt-open,从图二所示的装配面板中选择-OK。即完成第一个另件base的装配。
4、安装凸轮:Component-Assemble-从弹出的对话框中选择cam.prt-open,从图二所示的装配面板中点选Connections出现连接面板(图三)。
(图三)
5、接上一步做销钉Pin连接:从绘图区点选凸轮上的圆柱体的圆柱面、接着点选base上10mm孔的圆柱机,紧接着分别点选凸轮与基板的两个接触平面,在连接面板输入值为0。应该象下图这个样子后先OK完成销钉的连接。
好了,到这一步我们终于做完了第一个机构了。事实上用这两个part就可做动画了。
下面先试一下一个关键帧动画。
proe提供两种方式做动画,一个是纯动画,好象Flash那样使用关键帧。另一种是使用驱动方法,下面先介绍一下纯动画的制作方法。我们要做的事情是使这个凸轮转动。
a、从菜单上选Applications,从下拉菜单中选择Animation(注:如果没有出现Animation,是因为没有安装动画模块,那么这一步做不成,请先安装好动画模块),出现如图动画控制工具箱
。
b、点选动画工具箱中的拖拽工具
,出现Drag面板如下图。在Drag面板中点选照相机按钮,这样就创建好了第一个原始位置的关键帧照片。再拍一次,作为最后一帧。
c、在绘图区直接拖拽凸轮,使其顺时针旋转90度左右,然后点相机按钮拍一次照。
d、重复第上一步分别在180度270度拍一次照。
e、在Drag面板中将Snapshot2改为Snapshot6.-close。完成我们的关键帧拍照工作。
下面做动画:
f、点选动画工具箱中的
按钮,出现Key Frame Sequence面板,下面要做事情很简单:
点选加号按钮,创建第一个关键帧,然后在Key Frame中选Snapshot3,按加号,继续选Snapshot4,加号,.....,完成后应是下面这个样子,选Regenerate-OK完成。
g、录像:选录音机按钮。
h、播放.....相信大家可以搞掂了。
i、另:绘图区下面的那条时间线上的关键帧标记可以拖拽以改变关键帧的时间位置。
看完我们的第一个proe动画,相信大家一定会觉得有趣,不过我们的事情还没有做完。下面继续我们的凸轮机构工作。
6、回到asm状态:按下[Ctrl]+[A]。
7、安装滑块:Component-Assemble-从弹出的对话框中选择block.prt-open从图二所示的装配面板中点选Connections出现连接面板(图三)。在连接面板中的Type选项下选择Slider(滑块)。
8、点选Block.prt上的圆柱表面,紧接着选Base.prt上的圆弧槽的圆柱面作为轴对齐限制条件,接着分别选两个接触平面作为Rotation限制条件,值为0.0000。如图.
9、在连接面板(图三)中选Move选项卡。拖拽滑块大致到这个下图这个位置,-选ok,完成了我们凸轮机构的连接工作。
以下创建凸轮机构:
10、在右侧的Menu Manager中选ASSEMBLY-Mechanism-Model-Cams弹出cam面板,如图
11、在cam面板中选ADD弹出Cam-Follower Connection Definition面板(图略),钩选Autoselect,
点选箭头按钮,从绘图区选cam.prt的侧面-Do select-选面板上的Cam2选项卡,点选箭头按钮,从绘图区选block的圆弧的侧面,如图下,按下ok后两个实体应自动粘接在一起了。按下Cam-Follower Connections中的close。完成凸轮的定义。
以下定义驱动器。我们要做一个十秒的动画,使凸轮以每秒72度的转速自动旋转,共旋转二周。
12、Mechanism-Model-Drivers弹出Drivers面板,选择ADD,从绘图区选择凸轮中心上的那个黄色箭头,完成后选Driver Editor面板中的Profile选项卡,指定Specification为Velocity, A值为72.如下图.完成后按OK,Close。
13、选Run Motion,从弹出的Motion Definitions面板中选ADD,使用缺省设,然后接着选OK就可以了,在Motion Definitions面板中点选Run,系统自动录制动画。-Close面板。
14、点选Mechanism工具箱上的播放按钮,从弹出的面板中按Play,从弹出的Animate控制器面板中按播放按钮,看一下我们的第一个机构作品。
1;所有标注为智造资料网zl.fbzzw.cn的内容均为本站所有,版权均属本站所有,若您需要引用、转载,必须注明来源及原文链接即可,如涉及大面积转载,请来信告知,获取《授权协议》。
2;本网站图片,文字之类版权申明,因为网站可以由注册用户自行上传图片或文字,本网站无法鉴别所上传图片或文字的知识版权,如果侵犯,请及时通知我们,本网站将在第一时间及时删除,相关侵权责任均由相应上传用户自行承担。
[complaint:内容投诉]
智造资料网打造智能制造3D图纸下载,在线视频,软件下载,在线问答综合平台 » Pro/E凸轮机构仿真(图文教程)

