机械设计、机械知识、机械培训
折弯:金属板料在折弯机上模或下模的压力下,首先经过弹性变形,然后进入塑性变形,在塑性弯曲的开始阶段,板料是自由弯曲的·随着上模或下模对板料的施压,板料与下模槽内表面逐渐靠紧,同时曲率半径和弯曲力臂也逐渐变小,继续加压直到行程终止,使上下模与板材三点靠紧全接触,此时完成一个弯曲。
设计钣金件,首先得搞清楚各种折弯刀的用途,考虑清楚所设计的钣金件能用什么样的刀具将其折弯成型。
1. 折弯刀的主要类型如下图(1):

图(1)
2. 各种刀具的主要应用折弯类型。
直刀一般优先用于只折一道弯并不用考虑避位的弯折,见图(2):

但如果出现以下等情况就需要考虑避位,见图(3)

由图(3)看到,折弯明显干涉,此时就要考虑用另外类型的折弯刀来折弯。图(3)左侧的情况可视情况优先选用小弯刀来避位,见图(4)

而图(3)右侧的情况就要选用尖刀来避位了,但同时也要注意,由于尖刀的头很尖,所以它的强度比较差,所以它不能用于厚板的折弯,一般1.5mm以上的板厚都不使用尖刀,而在工艺安排上,再想办法,例如把压铆螺母工艺安排在折弯以后等。见图(5)

也有这样的情况,当小弯刀也无法避位时,就要选用大弯刀来避位,如图(6)

但有时也会出现大弯刀也无法避位,那就要需增加工艺:先在折弯线上压一条印——如图(7),为了更好的折弯,可此道折弯先折到一定角度,避免碰刀,然后在把边压至90度——如图(8),而一般情况,压印工艺可以应用到折弯不能一次完成,这样当第二次折弯时,折弯线能更好按原来折弯印成型,否则容易出现二次折弯而造成折弯偏位,或折弯角度控制不好的现象。


所以在设计的过程中也要考虑这样的问题,在满足要求的情况尽量避免出现采用这样的工艺,因为这样没有直接折弯的效果好,而且尺寸和角度都可能有偏差。
折弯机还可以用于工件压死边,先把工件折弯到30度,再用平刀把工件压死,但一般可用普通冲床完成的压死边尽量不安排到折弯机,因为冲床压死边的效果相对比较好点。
在折弯过程中除了工件与折弯刀干涉,当工件的尺寸比较大时还可能会出现折弯时与折弯机干涉。
在我们安排工艺的时候,很多时候都要考虑是否好折弯,能否折弯的问题,因为折弯是一个很重要的工艺,折弯是否好操作直接影响到折弯质量的保证,而很多时候出现的质量问题都是出自于折弯尺寸没有控制好,所以在设计的过程中也要特别关注折弯的问题,这个关系到产品量产时质量的稳定性。
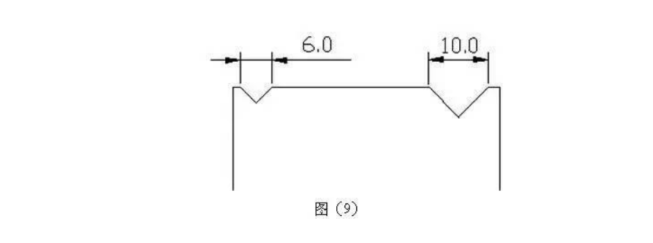
对于不同板厚,它的折弯尺寸都是有限度的,不能过小,一般多与下刀模有关系,一般的原则是:下刀模选取板厚6倍的刀槽,这样折弯系数与经验值最符合。一般刀槽的分类按刀槽的外宽分如图(9),分别是6号和10号槽。

但选用够小的刀槽折弯时,很容易出现压痕,一般6号槽以下的压痕都比较明显,所以当工件表面不处理时,当折弯边比较小时,有明显的压痕,一来影响外观,二来容易生锈,所以在设计时要注意。
在实际的折弯过程中还会遇到各种各样的问题,很多时候还要考虑到折弯对别的工艺的影响,很多时候还要具体问题具体分析,适当的安排工艺。
以下为常见折弯刀尺寸:







1;所有标注为智造资料网zl.fbzzw.cn的内容均为本站所有,版权均属本站所有,若您需要引用、转载,必须注明来源及原文链接即可,如涉及大面积转载,请来信告知,获取《授权协议》。
2;本网站图片,文字之类版权申明,因为网站可以由注册用户自行上传图片或文字,本网站无法鉴别所上传图片或文字的知识版权,如果侵犯,请及时通知我们,本网站将在第一时间及时删除,相关侵权责任均由相应上传用户自行承担。
[complaint:内容投诉]
智造资料网打造智能制造3D图纸下载,在线视频,软件下载,在线问答综合平台 » 设计钣金件,首先搞清楚各折弯刀的用途

