首页
图纸下载
冲压模具
塑胶模具
数控编程
机械设备
家用电器
更多
软件下载
二维软件
三维软件
编程软件
CAE软件
系统软件
更多
图文资讯
软件应用
模具制造
机械制造
机械知识
平面设计
其他
软件安装
帮助中心
注册问题
登录问题
上传问题
下载问题
充值问题
更多
在线视频
新站课程
本站课程
在线问答
登录
注册
实例 第5页
最新标签
HTML
入门
精通
摩托车
三轮
狂想
两栖
图文
作用
水泵
诱导
前置
视频
测试
咨询
售后
违规
注册
登录
充值
积分
流程
提现
编号
大小
提取
0167
XSSJUG
取值
旋切
毫米
按照
上传
退稿
稿件
无法
账号
注销
站上
qiufukang
右上角
绑定
下拉
帐号
原作者
以下简称
本站
协议
会员
其它
刀路
桃木
夹板
关联性
鸟瞰
文章
PAUSE
command
主视图
长度
RCDATA
计算
ID
开发
雕刻机
生成
注释
端盖
中设
标题
回到
外公切线
圆心
立体
实验
布局
浮动
外部
参照
网格
多线
显示
缩放
特性
编组
门厅
源点
附着
光源
图片
一圆
基点
SolidEdge
教程
属性
10.3
有的
弧段
正交
栅格
及图
文章排序
时间
标题
热度
留言
随机
数控车床编程实例_圆弧插补指令编程(图文教程)
圆弧
实例
数控电火花线切割加工实例(图文教程)
数控
实例
加工
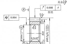
形位公差代号的实例说明(图文教程)
公差
实例
数控铣削编程实例(FANUC系统)(图文教程)
数控
实例
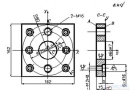
加工中心加工端盖编程实例(图文教程)
端盖
实例
加工
FANUC0i螺纹的循环指令(G92)说明与编程实例(图文教程) ...
螺纹
实例
钣金展开实例—圆筒体展开图(图文教程)
实例
钣金展开实例—圆锥体展开图(图文教程)
实例
钣金展开实例—方筒体展开图(图文教程)
实例
教程
钣金展开实例—方锥体展开图(图文教程)
锥体
实例
钣金展开实例—异形管展开图(图文教程)
实例
Mastercam教程-6.二维加工综合实例(图文教程)
二维
教程
实例
加工
典型零部件机械制图实例-手压阀工作原理教程
制图
实例
典型零部件机械制图实例-台虎钳教程
制图
实例
典型的零部件机械制图实例-卧式齿轮泵教程
制图
实例
典型机械零部件制图实例-千斤顶
制图
实例
典型机械零部件制图实例-溢流阀
制图
实例
典型机械零部件制图实例-圆钻模
制图
实例
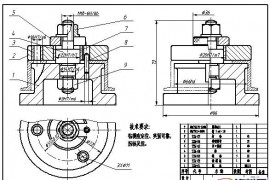
典型机械零部件制图实例-轴承座
制图
实例
典型机械零部件制图实例-柱塞泵
制图
实例
典型机械零部件制图实例-微动机构
制图
实例
典型机械零部件制图实例-圆柱齿轮减速器
制图
实例
典型机械零部件制图实例-蜗轮蜗杆减速器
制图
实例
零部件机械制图经典实例-球阀
制图
实例
经典
1
2
3
4
5
首页
发布
用户中心
积分充值
开通会员
客服